授权公布号:CN107058653B
高温炉渣回收利用方法
有效
申请
2017-03-01
申请公布
2017-08-18
授权
2019-03-29
预估到期
2037-03-01
| 申请号 | CN201710117736.0 |
| 申请日 | 2017-03-01 |
| 申请公布号 | CN107058653A |
| 申请公布日 | 2017-08-18 |
| 授权公布号 | CN107058653B |
| 授权公告日 | 2019-03-29 |
| 分类号 | C21B3/08 |
| 分类 | 铁的冶金; |
| 申请人名称 | 石家庄工大化工设备有限公司 |
| 申请人地址 | 河北省石家庄市和平东路500号 |
专利法律状态
2019-03-29
授权
状态信息
授权
2017-09-12
实质审查的生效
状态信息
实质审查的生效;IPC(主分类):C21B3/08;申请日:20170301
2017-08-18
公布
状态信息
公布
摘要
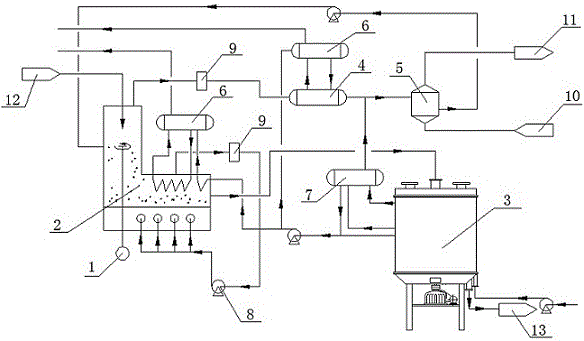
本发明公开了高温炉渣回收利用方法,属于余热回收技术领域,包括以下步骤:包括利用水冷的离心造粒过程A和与过程A连接的流化换热过程B,并对所产生的蒸汽进行收集利用。本发明提供了一种同时实现高炉渣的热量有效回收以及钢渣的玻璃体化和成粒的高温炉渣回收利用方法。


