授权公布号:CN207160792U
一种保险箱锁紧机构
有效
申请
2017-06-18
申请公布
1970-01-01
授权
2018-03-30
预估到期
2027-06-18
| 申请号 | CN201720759492.1 |
| 申请日 | 2017-06-18 |
| 授权公布号 | CN207160792U |
| 授权公告日 | 2018-03-30 |
| 分类号 | E05B65/52;E05B63/14;E05B37/00;E05B15/00 |
| 分类 | 锁;钥匙;门窗零件;保险箱; |
| 申请人名称 | 浙江大一科技发展有限公司 |
| 申请人地址 | 浙江省金华市永康市经济开发区学院北路180号 |
专利法律状态
2018-03-30
授权
状态信息
授权
摘要
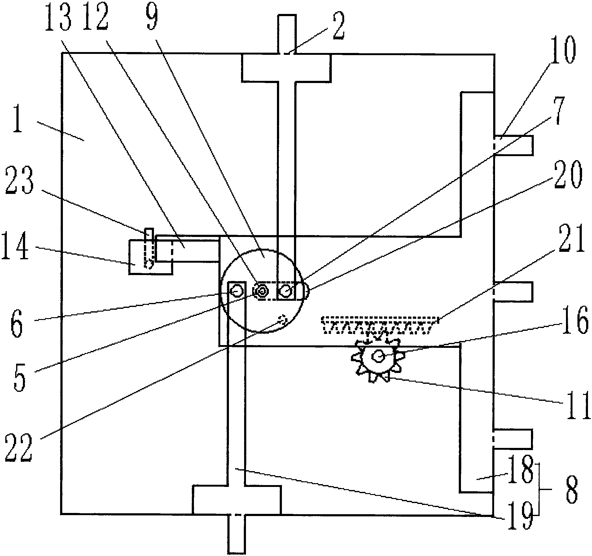
本实用新型公开一种保险箱锁紧机构,属于保险箱技术领域,包括箱盖本体,箱盖本体的内部设置有锁紧机构,锁紧机构包括联动板、转盘、锁芯、齿轮、螺栓、直角移轨、锁块以及连接杆,联动板包括主联动板和次联动板,主联动板的左部设置有横向滑槽,所述主联动板的底面中部设置有齿轮条,转盘上设置有通孔、支杆一、支杆二以及支杆三,通孔位于转盘的中心,螺栓穿过通孔和横向滑槽与箱盖本体连接,次联动板的一端分别与支杆一和支杆二固定连接,直角移轨的右端与主联动板的左端连接,锁块固定设置在箱盖本体的左侧,锁块上设置有锁杆。本实用新型采用了一种新型的锁紧机构,达到了保险箱能多重锁紧目的。


