授权公布号:CN219119365U
一种重型卡车智能热管理系统
有效
申请
2022-12-24
申请公布
1970-01-01
授权
2023-06-02
预估到期
2032-12-24
| 申请号 | CN202223463001.9 |
| 申请日 | 2022-12-24 |
| 授权公布号 | CN219119365U |
| 授权公告日 | 2023-06-02 |
| 分类号 | F02N19/04;B60K11/02;F02N19/10;F01M5/02;F02M31/125;F02M31/13 |
| 分类 | 燃烧发动机;热气或燃烧生成物的发动机装置; |
| 申请人名称 | 北奔重型汽车集团有限公司 |
| 申请人地址 | 内蒙古自治区包头市青山区装备制造产业园区兵工东路9号 |
专利法律状态
2023-06-02
授权
状态信息
授权
摘要
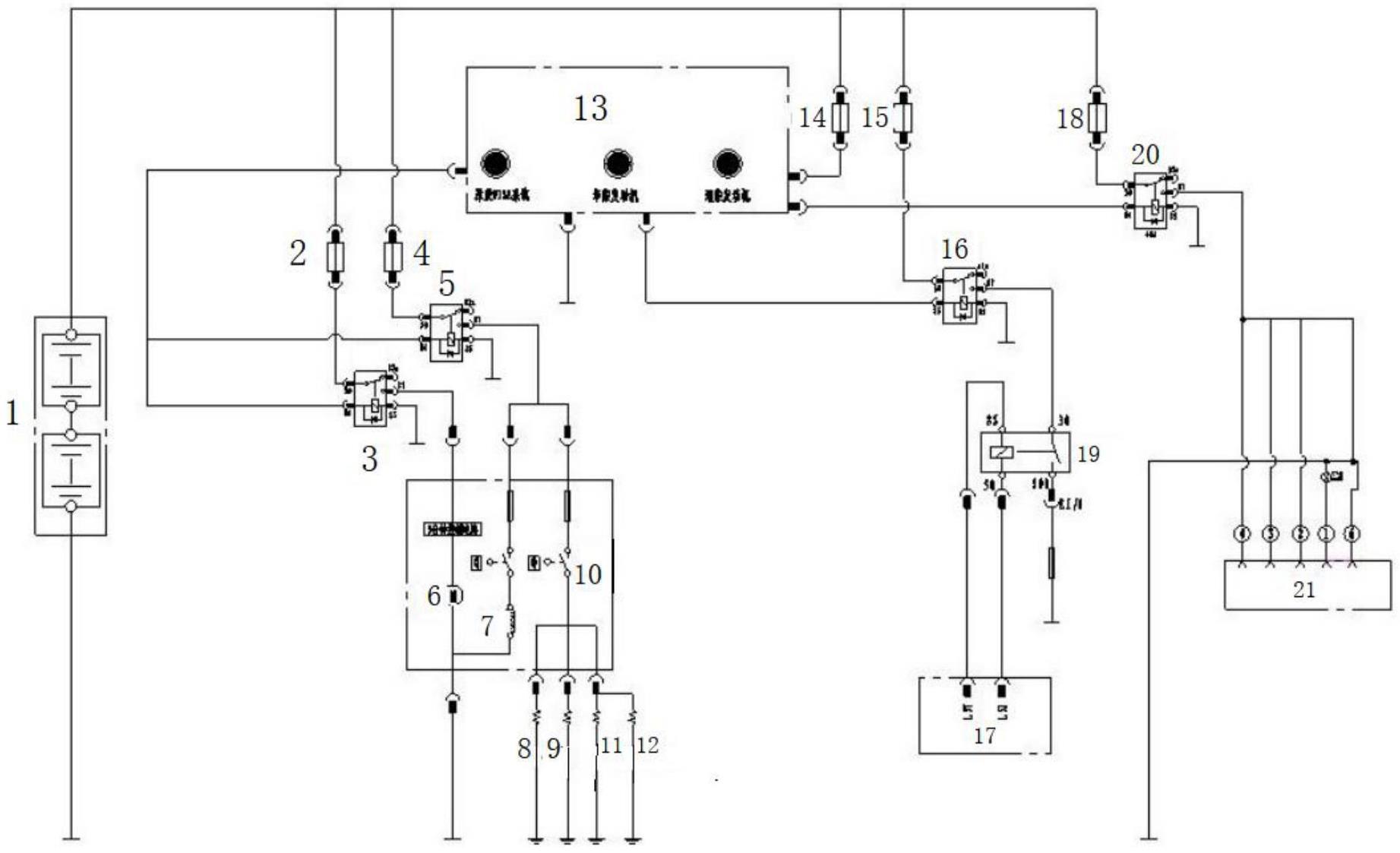
本实用新型属于重型卡车技术领域,公开了一种重型卡车智能热管理系统,包括蓄电池(1)、第一熔断器(2)、第一继电器(3)、第二熔断器(4)、第二继电器(5)、燃油水寒宝(6)、发动机类型选择控制器总成(13)、第三熔断器(14)、第四熔断器(15)、第三继电器(16)、发动机控制器(17)、第五熔断器(18)、进气加热继电器(19)、第四继电器(20)和冷却水加热器(21)。本实用新型解决了重型卡车在极限环境温度下短时精准快速启动问题,自动按照冷却水加热、电动泵油燃油加热、进气加热顺序及各自工作时间,完成发动机进气、燃油及冷却液加热,无须人工干预,精准控制各个设备工作,具有系统可靠、高效、节能和加装方便的特点。


