授权公布号:CN217846912U
一种液体冷却机检测装置
有效
申请
2022-03-02
申请公布
1970-01-01
授权
2022-11-18
预估到期
2032-03-02
| 申请号 | CN202220448558.6 |
| 申请日 | 2022-03-02 |
| 授权公布号 | CN217846912U |
| 授权公告日 | 2022-11-18 |
| 分类号 | G05B19/042;G01M99/00 |
| 分类 | 控制;调节; |
| 申请人名称 | 成都华远电器设备有限公司 |
| 申请人地址 | 四川省成都市武侯区武侯科技园武兴四路5号 |
专利法律状态
2022-11-18
授权
状态信息
授权
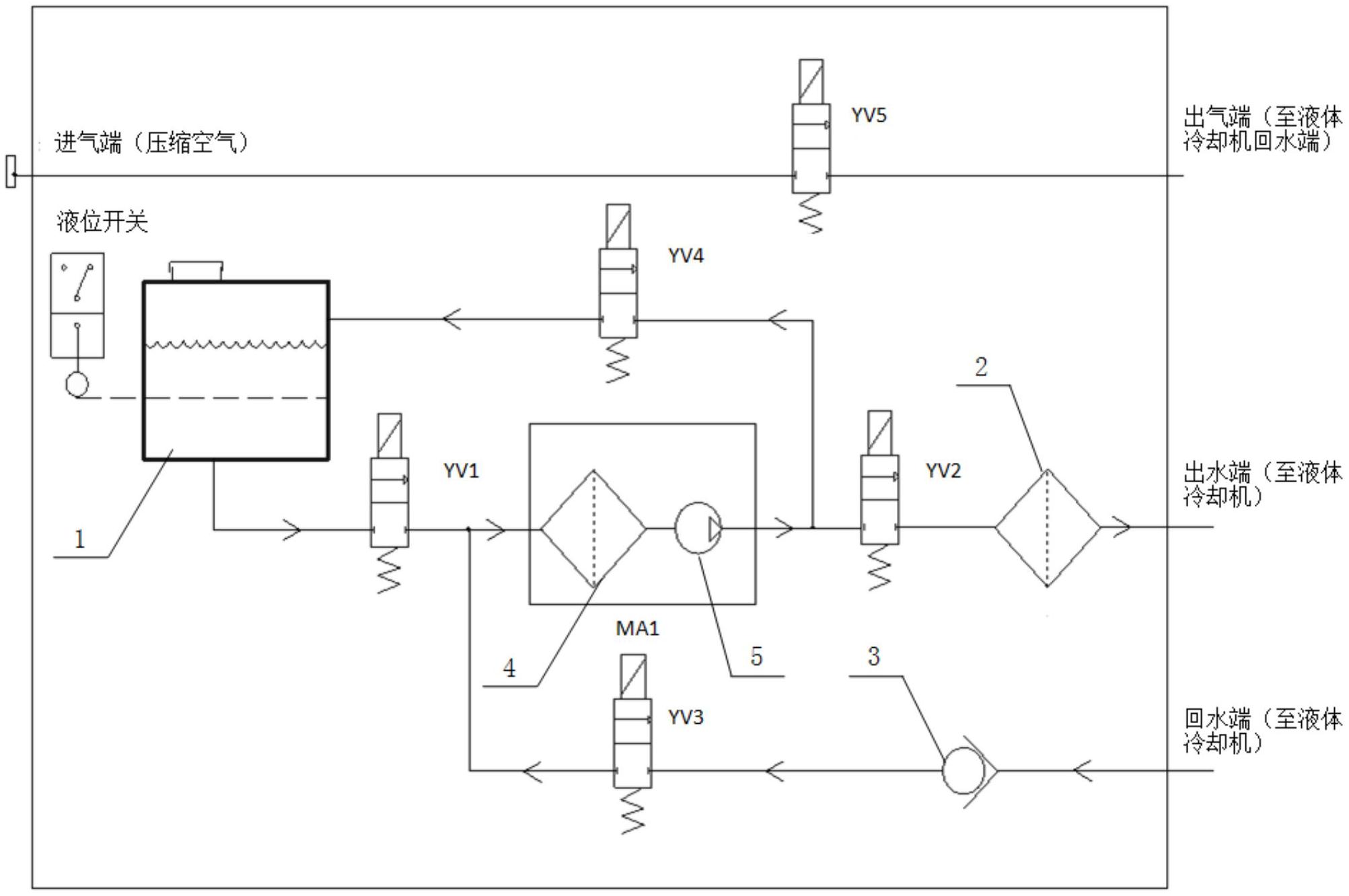
摘要
本实用新型公开了一种液体冷却机检测装置,包括:气体控制模块和循环水控制模块;所述气体控制模块的进气端接入压缩空气,出气端连接液体冷却机的回水端;所述循环水控制模块包括:蓄水箱、注水控制单元和泄放水控制单元;所述注水控制单元的进水端连接所述蓄水箱,出水端连接所述液体冷却机的入水端;所述泄放水控制单元的进水端连接所述液体冷却机的回水端,出水端连接所述蓄水箱。此液体冷却机检测装置可实现在流水线上完成对液体冷却机的检验工作,相对于目前通过逐台加装冷却液的方式而言,可大幅提高加注、泄放冷却液的效率,并实现定量控制。


