授权公布号:CN210475806U
一种新型针对机器人配套焊接电源的调试适配控制电路
有效
申请
2019-07-26
申请公布
1970-01-01
授权
2020-05-08
预估到期
2029-07-26
| 申请号 | CN201921191162.2 |
| 申请日 | 2019-07-26 |
| 授权公布号 | CN210475806U |
| 授权公告日 | 2020-05-08 |
| 分类号 | B23K9/10 |
| 分类 | 机床;不包含在其他类目中的金属加工; |
| 申请人名称 | 成都华远电器设备有限公司 |
| 申请人地址 | 四川省成都市武侯区武侯科技园武兴四路5号 |
专利法律状态
2020-05-08
授权
状态信息
授权
摘要
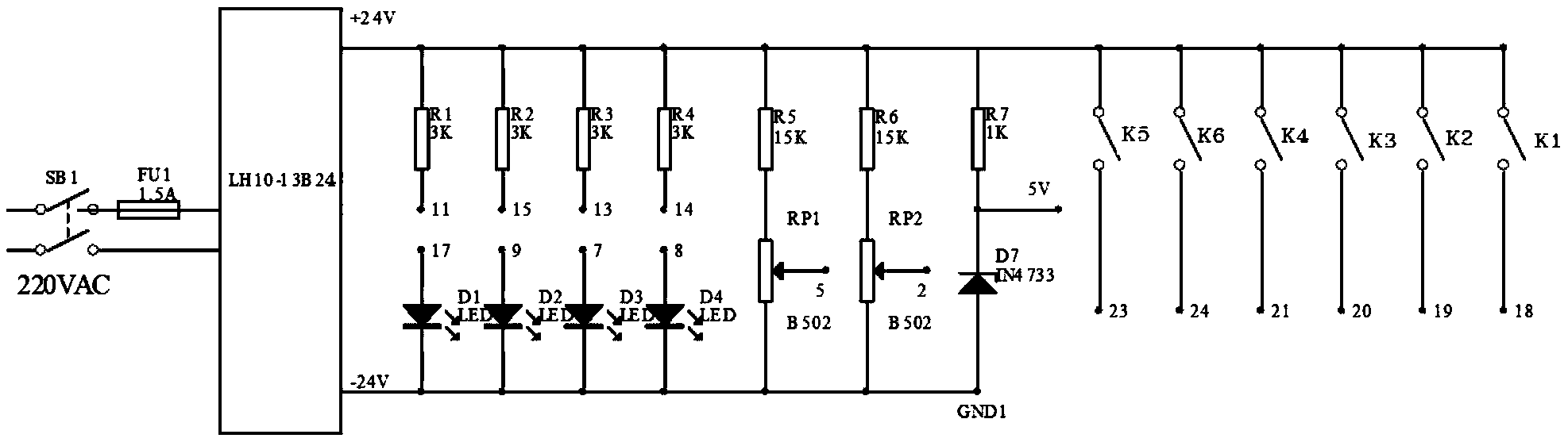
本实用新型公开了一种新型针对机器人配套焊接电源的调试适配控制电路,包括焊机就绪单元、引弧提示单元、粘丝检测单元、焊道搜索单元、焊接电流调节单元、焊接电压调节单元和电源单元,焊机就绪单元、引弧提示单元、粘丝检测单元、焊道搜索单元、焊接电流调节单元、焊接电压调节单元均并联于电源单元两侧;还包括起弧接线端十八、送丝接线端十九、退丝接线端二十、检气接线端二十一、焊道搜索接线端二十三,起弧接线端十八、送丝接线端十九、退丝接线端二十、检气接线端二十一、焊道搜索接线端二十三各个接线端的一端通过对应开关连接至电源单元的正极,另一端与对应的焊接机器人芯片对应的通讯接口相连;电源单元采用24V直流电源。


