授权公布号:CN213360525U
一种弧焊电源冷却风扇控制电路
有效
申请
2020-09-25
申请公布
1970-01-01
授权
2021-06-04
预估到期
2030-09-25
| 申请号 | CN202022134189.7 |
| 申请日 | 2020-09-25 |
| 授权公布号 | CN213360525U |
| 授权公告日 | 2021-06-04 |
| 分类号 | F04D27/00;H05K7/20 |
| 分类 | 液体变容式机械;液体泵或弹性流体泵; |
| 申请人名称 | 成都华远电器设备有限公司 |
| 申请人地址 | 四川省成都市武侯区武侯科技园武兴四路5号 |
专利法律状态
2021-06-04
授权
状态信息
授权
摘要
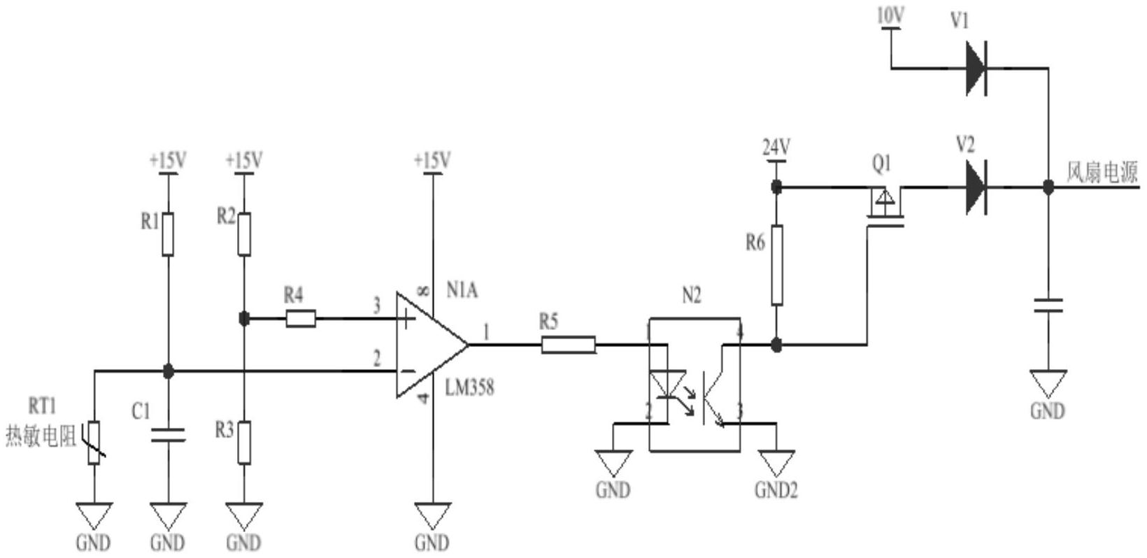
本实用新型公开了一种弧焊电源冷却风扇控制电路,包括,测温单元、基准单元和比较器N1,其特征在于,还包括供电单元;所述供电单元包括高压供电单元、低压供电单元和风扇;所述比较器N1的负输入引脚连接测温单元,所述比较器N1的正输入引脚连接基准单元,所述比较器N1的输出引脚控制供电单元;常规的智能风扇控制电路是通过继电器控制风扇电源。当电源有焊接电流输出时,继电器接通风扇供电,无焊接电流输出时,断开风扇供电,避免风扇空转,带入灰尘,本实用新型所要解决的技术问题是焊接电源内部的灰尘堆积情况和风扇的使用寿命,目的在于通过提供一种弧焊电源冷却风扇控制电路,解决焊接电源内部的灰尘堆积情况,提高了风扇的使用寿命。


