授权公布号:CN220650842U
一种电池的检测系统
有效
申请
2023-05-25
申请公布
1970-01-01
授权
2024-03-22
预估到期
2033-05-25
| 申请号 | CN202321303536.1 |
| 申请日 | 2023-05-25 |
| 授权公布号 | CN220650842U |
| 授权公告日 | 2024-03-22 |
| 分类号 | G01R31/385;G01R29/00 |
| 分类 | 测量;测试; |
| 申请人名称 | 欣旺达电子股份有限公司 |
| 申请人地址 | 广东省深圳市宝安区石岩街道石龙社区颐和路2号综合楼1楼、2楼A-B区、2楼D区-9楼 |
专利法律状态
2024-03-22
授权
状态信息
授权
摘要
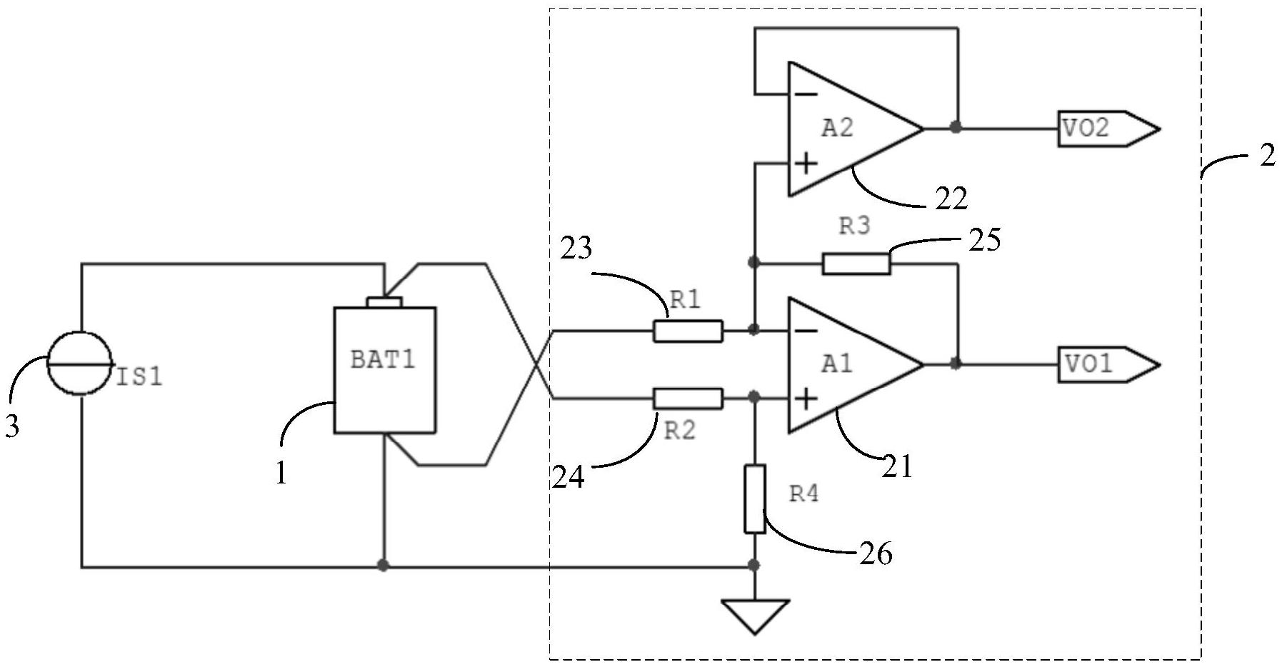
本实用新型实施例提供了一种电池的检测系统。电池的检测系统包括电池和差分放大电路;差分放大电路包括第一差分放大器和第二差分放大器,电池的正极电连接在第一差分放大器的正相输入端中,电池的负极电连接在第二差分放大器的反相输入端中,第二差分放大器的正相输入端和第一差分放大器的反相输入端电连接;在电池的负极和第一差分放大器的反相输入端的连接电路发生断路的情况下,第一差分放大器的输出端的电压等于第二差分放大器的输出端的电压;在电池的负极和第一差分放大器的反相输入端正常电连接的情况下,第一差分放大器的输出端的电压大于第二差分放大器的输出端的电压。这样,避免电池出现过量充电,提升电池在生产检测过程中的安全性。


