授权公布号:CN219950535U
一种即热式净水器控制系统
有效
申请
2023-05-10
申请公布
1970-01-01
授权
2023-11-03
预估到期
2033-05-10
| 申请号 | CN202321110920.X |
| 申请日 | 2023-05-10 |
| 授权公布号 | CN219950535U |
| 授权公告日 | 2023-11-03 |
| 分类号 | C02F1/00;C02F1/02;A47J31/56;A47J31/58;A47J31/00 |
| 分类 | 水、废水、污水或污泥的处理; |
| 申请人名称 | 宁波龙巍环境科技有限公司 |
| 申请人地址 | 浙江省嘉兴市海宁市袁花镇联红路65号 |
专利法律状态
2024-02-20
专利申请权、专利权的转移
状态信息
专利权的转移;IPC(主分类):C02F1/00;登记生效日:20240131;变更事项:专利权人;变更前:宁波龙巍环境科技有限公司;变更后:浙江创新电器科技有限公司;变更事项:国家或地区;变更前:中国;变更后:中国;变更事项:地址;变更前:315000 浙江省宁波市杭州湾新区金溪支路23号;变更后:314416 浙江省嘉兴市海宁市袁花镇联红路65号
2023-11-03
授权
状态信息
授权
摘要
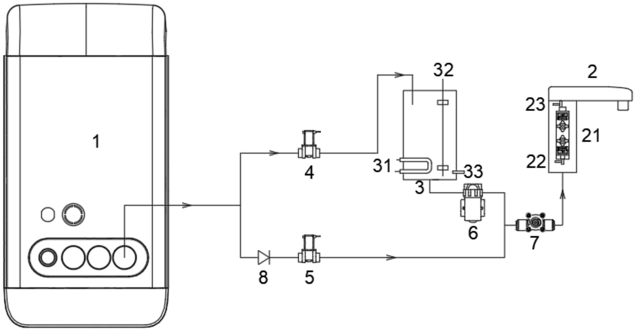
一种即热式净水器控制系统,包括净水器和水龙头,还包括预热水箱、第一电磁阀、第二电磁阀和抽水泵,所述净水器的出水口分别连通至所述第一电磁阀的进口和第二电磁阀的进口,所述第一电磁阀的出口连通至预热水箱,所述第二电磁阀的出口连通至水龙头的进口,所述抽水泵的进口连通至预热水箱且出口连通至所述水龙头的进口,所述预热水箱内设有预加热体,所述水龙头内设有即热式加热体。上述方案既能够直接提供常温水或温水,又能直接提供热水,无需用户预先放冷水,提升了用户体验感的同时避免了水源的浪费。


