授权公布号:CN112134002B
5G天线、电子设备
有效
申请
2020-09-23
申请公布
2020-12-25
授权
2023-05-26
预估到期
2040-09-23
| 申请号 | CN202011008746.9 |
| 申请日 | 2020-09-23 |
| 申请公布号 | CN112134002A |
| 申请公布日 | 2020-12-25 |
| 授权公布号 | CN112134002B |
| 授权公告日 | 2023-05-26 |
| 分类号 | H01Q1/36;H01Q1/50;H01Q9/30;H01Q1/22;CN202713411U,2013.01.30;CN106785353A,2017.05.31;CN110867652A,2020.03.06;US8174457B1,2012.05.08;WO2018028153A1,2018.02.15Chow-Yen-DesmondSim等.WidebandMIMOAntennaArrayDesignforFutureMobileDevicesOperatinginthe5GNRFrequenc |
| 分类 | 基本电气元件; |
| 申请人名称 | 深圳市锐尔觅移动通信有限公司 |
| 申请人地址 | 广东省深圳市前海深港合作区前湾一路1号A栋201室(入驻深圳市前海商务秘书有限公司) |
专利法律状态
2023-05-26
授权
状态信息
授权
2020-12-25
公布
状态信息
公布
摘要
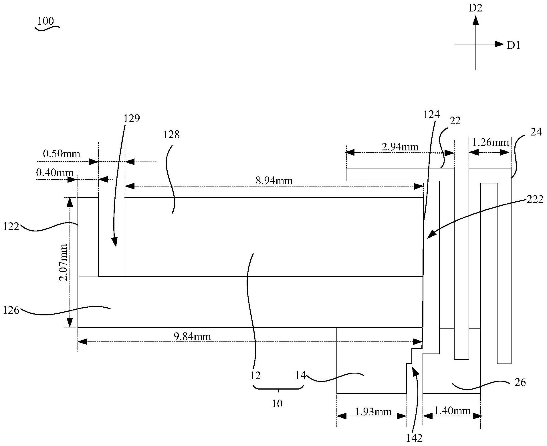
本申请公开一种5G天线、电子设备。5G天线包括单极子和寄生单元。单极子包括主体和弹片,主体包括相背的第一端和第二端,弹片与第一端的距离大于弹片与第二端的距离,弹片用于连接激励源。寄生单元相对第二端设置,寄生单元包括第一枝节和第二枝节,第一枝节具有第一凹槽,至少部分主体和至少部分弹片伸入第一凹槽内,第二枝节与第二端的距离大于第一枝节与第二端的距离,寄生单元还包括连接件,连接件用于连接第一枝节和第二枝节。本申请的5G天线、电子设备通过第一枝节拓宽SUB‑6G NR频段的带宽,通过第二枝节拓宽N79的带宽。


