授权公布号:CN219123497U
一种兼容不同TVS管的ESD测试治具
有效
申请
2022-12-09
申请公布
1970-01-01
授权
2023-06-02
预估到期
2032-12-09
| 申请号 | CN202223309689.5 |
| 申请日 | 2022-12-09 |
| 授权公布号 | CN219123497U |
| 授权公告日 | 2023-06-02 |
| 分类号 | H01R4/02;B23K37/00;G01R1/04;G01R31/00 |
| 分类 | 基本电气元件; |
| 申请人名称 | 深圳微步信息股份有限公司 |
| 申请人地址 | 广东省深圳市南山区粤海街道科技园社区高新中二道5号生产力大楼B101 |
专利法律状态
2023-06-02
授权
状态信息
授权
摘要
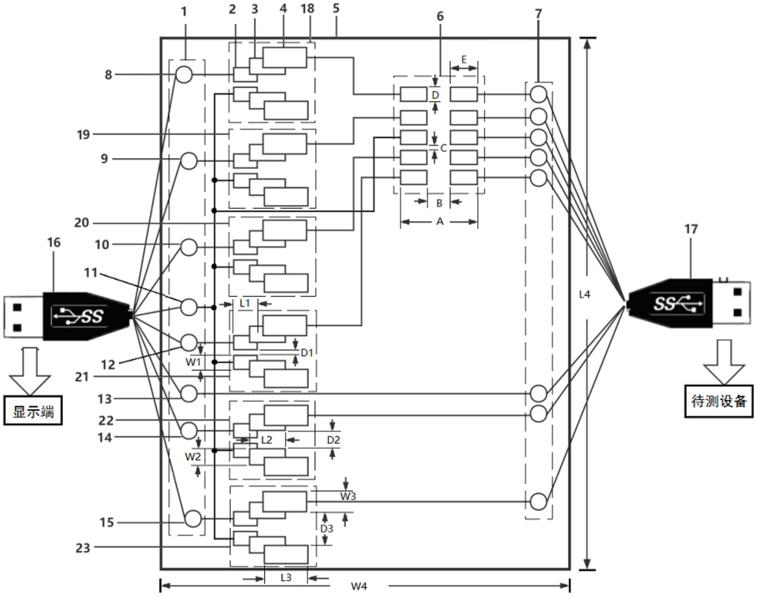
本实用新型实施例公开了一种兼容不同TVS管的ESD测试治具,包括验料板和USB延长线,USB延长线被断开的一端的各条信号线与验料板的信号焊接组连接,被断开的另一端的各条信号线与验料板上的放电组连接;信号焊接组与放电组之间设有第一兼容焊盘组和第二兼容焊盘组,第一兼容焊盘组用于焊接不同封装的双脚TVS管,第二兼容焊盘组用于焊接不同引脚的多脚TVS管;第一兼容焊盘组连接信号焊接组、第二兼容焊盘组和放电组;第二兼容焊盘组连接放电组。通过设置兼容不同引脚的TVS管的焊盘并布线,来增加TVS管的兼容功能。无需多次飞线,在验料板上进行TVS管换料验证更加简单、方便、快捷,缩短了换料时间。


