授权公布号:CN115862514B
栅极驱动电路及显示面板
有效
申请
2022-12-16
申请公布
2023-03-28
授权
2024-03-15
预估到期
2042-12-16
| 申请号 | CN202211627508.5 |
| 申请日 | 2022-12-16 |
| 申请公布号 | CN115862514A |
| 申请公布日 | 2023-03-28 |
| 授权公布号 | CN115862514B |
| 授权公告日 | 2024-03-15 |
| 分类号 | G09G3/20 |
| 分类 | 教育;密码术;显示;广告;印鉴; |
| 申请人名称 | TCL华星光电技术有限公司 |
| 申请人地址 | 广东省深圳市光明新区塘明大道9-2号 |
专利法律状态
2024-03-15
授权
状态信息
授权
2023-03-28
公布
状态信息
公布
摘要
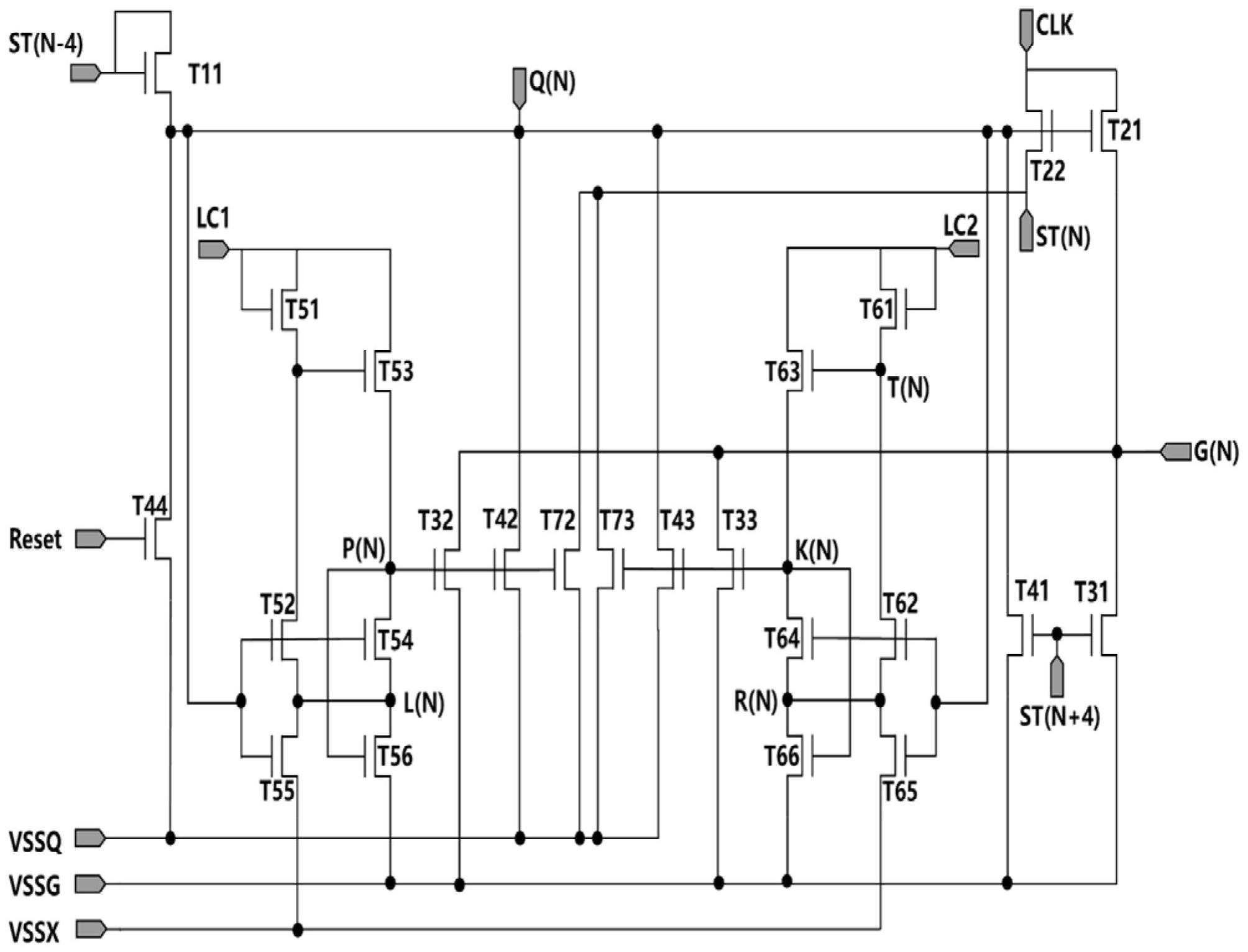
本申请公开了一种栅极驱动电路及显示面板,该栅极驱动电路包括多个级联的栅极驱动单元,其中,第N级栅极驱动单元包括第一晶体管、第二晶体管、第三晶体管、第四晶体管、第五晶体管以及第六晶体管,在上拉节点处于高电位状态下,第二晶体管、第三晶体管以及第五晶体管导通,第一低电位线依次通过第三晶体管、第五晶体管可以在第五晶体管的第一极输出更低的电位;在上拉节点处于低电位状态下,第二低电位线通过第六晶体管可以在第六晶体管的第一极提供更高的电位,从而使得第五晶体管更好地截止以改善第五晶体管的漏电流现象,进而提高了第五晶体管的第一极的高电位维持能力,这提高了由第一晶体管至第六晶体管构成的反相器的驱动能力。


