授权公布号:CN214100902U
电动执行器主板电源检测和电源切换装置
有效
申请
2020-11-30
申请公布
1970-01-01
授权
2021-08-31
预估到期
2030-11-30
| 申请号 | CN202022808913.X |
| 申请日 | 2020-11-30 |
| 授权公布号 | CN214100902U |
| 授权公告日 | 2021-08-31 |
| 分类号 | H02J7/00 |
| 分类 | 发电、变电或配电; |
| 申请人名称 | 无锡天任电子有限公司 |
| 申请人地址 | 江苏省无锡市蠡园开发区高新技术产业园6号房5楼 |
专利法律状态
2021-08-31
授权
状态信息
授权
摘要
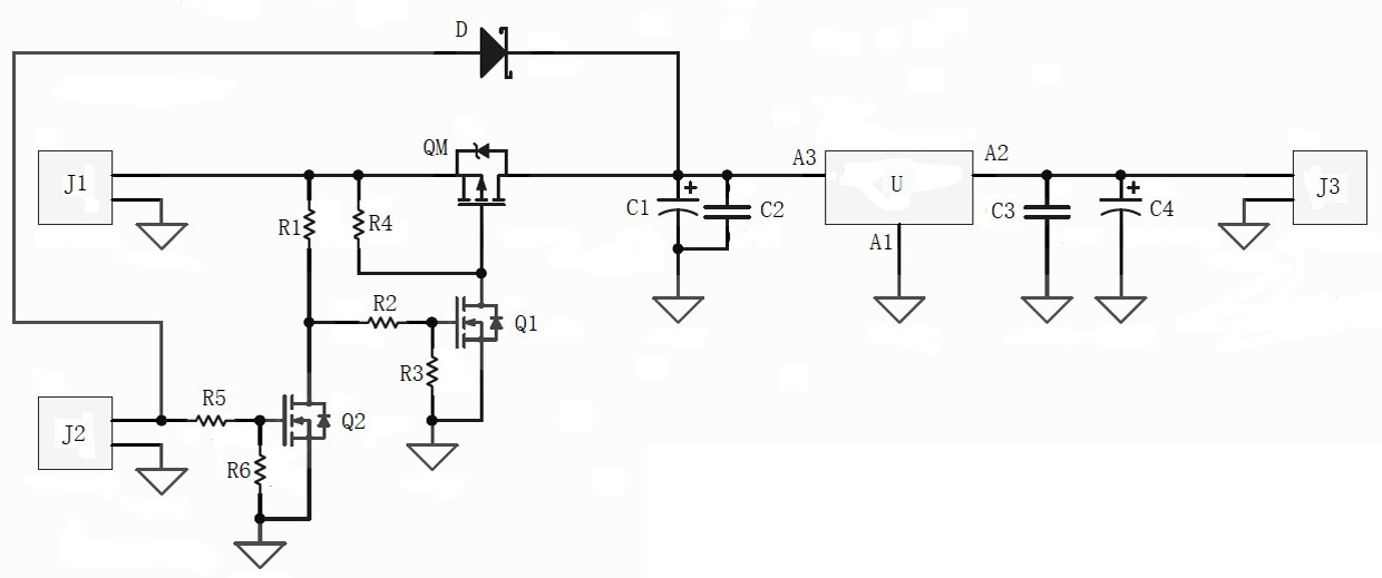
本实用新型涉及一种电动执行器组件,具体说是电动执行器主板电源检测和电源切换装置。它的特点是包括第一输入电源接头、第二输入电源接头、电源芯片和输出电源接头。第一输入电源接头串联莫氏管后与电源芯片相连,第一输入电源接头串联第四电阻后与第一三级管相连。第二输入电源接头依次串联第五电阻和第六电阻后接地,第六电阻的两端并联有第二三极管,第二三极管与靠近第一电阻的第二电阻一端相连。电源芯片的输入口串联第一电容后接地,第一电容的两端并联有第二电容,第二输入电源接头串联二极管后与靠近电源芯片的第一电容一端相连。电源芯片的输出口与输出电源接头相连。采用该切换装置电动执行器可在没有常规5V的电源时正常工作。


