授权公布号:CN216589983U
小蝶板侧装式双板蝶阀
有效
申请
2021-09-23
申请公布
1970-01-01
授权
2022-05-24
预估到期
2031-09-23
| 申请号 | CN202122311345.7 |
| 申请日 | 2021-09-23 |
| 授权公布号 | CN216589983U |
| 授权公告日 | 2022-05-24 |
| 分类号 | F16K1/22;F16K1/226;F16K1/52 |
| 分类 | 工程元件或部件;为产生和保持机器或设备的有效运行的一般措施;一般绝热; |
| 申请人名称 | 江南阀门有限公司 |
| 申请人地址 | 浙江省温州市温州机场大道616号 |
专利法律状态
2022-05-24
授权
状态信息
授权
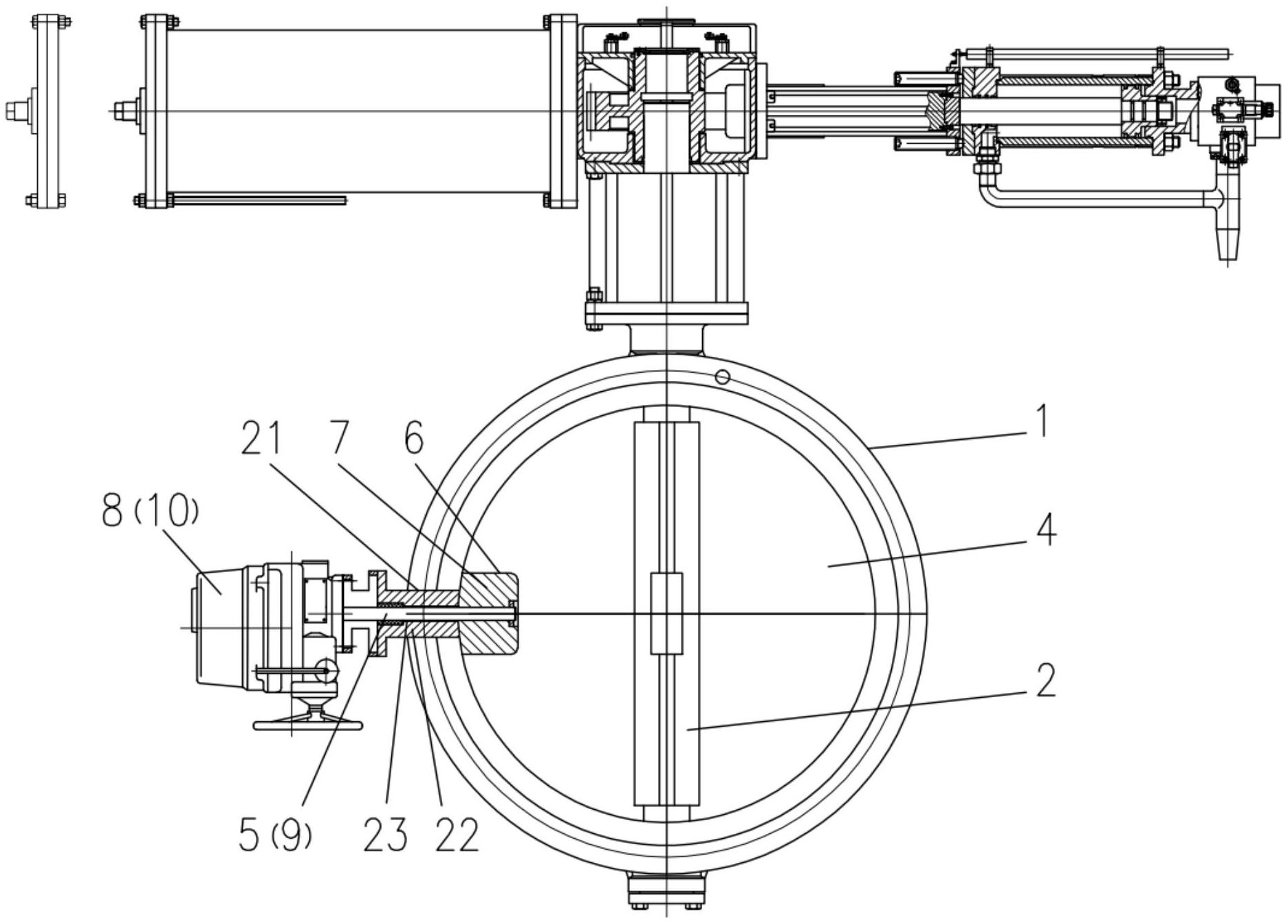
摘要
一种小蝶板侧装式双板蝶阀,通过在蝶阀的蝶板上增设用于对介质流量进行精确调整的微调蝶板装置,微调蝶板装置的设置能够使蝶阀的蝶板在全关状态下,通过开启微调蝶板装置来进行小范围的介质流通,从而精确的对介质流量进行调节,且本设计中蝶阀通过传动结构控制蝶阀在阀腔的中心转动,从而控制整个阀腔内介质流道的启闭和调节,微调蝶板装置的微调执行器控制微调蝶板在流量调节孔处转动对流量调节孔进行启闭和调节,且蝶板的转动与微调蝶板的转动互不干涉。


