授权公布号:CN209622069U
冷空气调节阀
有效
申请
2019-03-15
申请公布
1970-01-01
授权
2019-11-12
预估到期
2029-03-15
| 申请号 | CN201920326642.9 |
| 申请日 | 2019-03-15 |
| 授权公布号 | CN209622069U |
| 授权公告日 | 2019-11-12 |
| 分类号 | F16K1/22;F16K47/08 |
| 分类 | 工程元件或部件;为产生和保持机器或设备的有效运行的一般措施;一般绝热; |
| 申请人名称 | 江南阀门有限公司 |
| 申请人地址 | 浙江省温州市龙湾区机场大道616号 |
专利法律状态
2019-11-12
授权
状态信息
授权
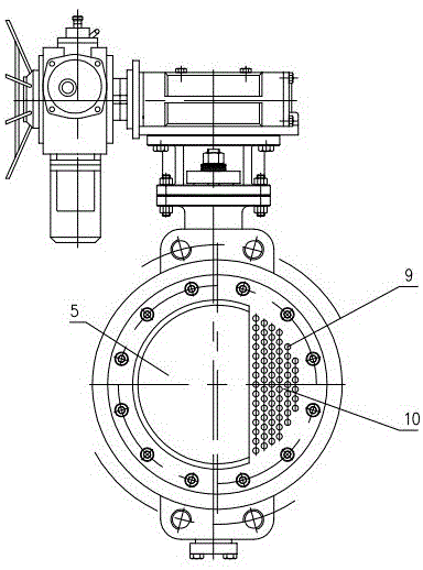
摘要
本实用新型涉及一种冷空气调节阀,其包括:阀体,具有从进口延伸到出口的流体通道;蝶板,设置在该流体通道中,且在开启位置和关闭位置之间可转动以选择性地允许流体通过该阀体的流体通道,以及嵌设在阀体出口处的节流结构,所述节流结构包括周向设置的固定部以及设置在固定部之间的通道以及节流板,且所述节流板设置在蝶板的开启角度的后侧,所述节流板表面间隔分布若干节流孔,所述节流结构的外表面低于阀体出口的外表面,能够不改变阀体整体长度的情况下解决空化现象以及噪音问题,另外采用节流孔的设计,能够在较小流量下,更好的优化阀门的调节性能。


