授权公布号:CN204171811U
磨削大型圆锯片侧端面的数控平面磨床
有效
申请
2014-11-03
申请公布
1970-01-01
授权
2015-02-25
预估到期
2024-11-03
| 申请号 | CN201420644638.4 |
| 申请日 | 2014-11-03 |
| 授权公布号 | CN204171811U |
| 授权公告日 | 2015-02-25 |
| 分类号 | B24B7/10 |
| 分类 | 磨削;抛光; |
| 申请人名称 | 河北星烁锯业股份有限公司 |
| 申请人地址 | 河北省唐山市玉田县鸦鸿桥镇西 |
专利法律状态
2021-10-29
专利权的保全及其解除
状态信息
专利权的保全;IPC(主分类):B24B7/10;申请日:20141103;授权公告日:20150225;登记生效日:20210904
2021-10-29
专利权的保全及其解除
状态信息
专利权保全的解除;IPC(主分类):B24B7/10;申请日:20141103;授权公告日:20150225;解除日:20210904
2018-09-28
专利权的保全及其解除
状态信息
专利权的保全;IPC(主分类):B24B7/10;申请日:20141103;授权公告日:20150225;登记生效日:20180904
2015-02-25
授权
状态信息
授权
摘要
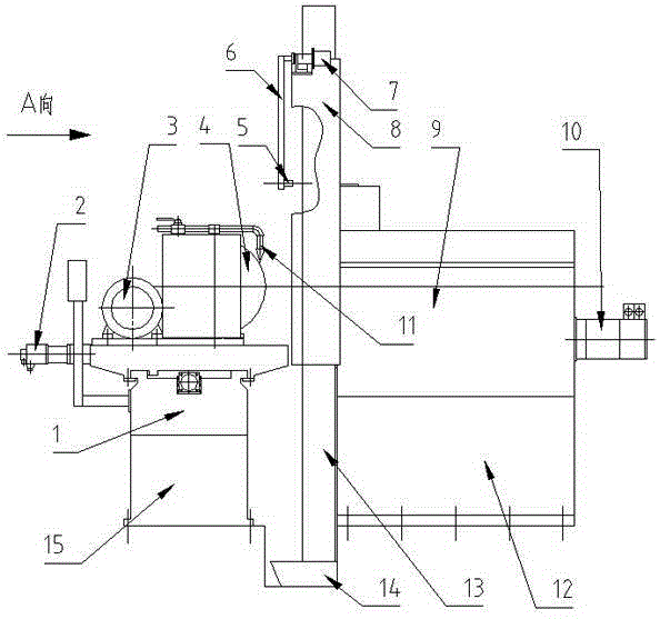
本实用新型涉及一种平面磨床,特别是一种磨削大型圆锯片侧端面的数控平面磨床。包括主轴箱,主轴夹盘,主轴电机,X轴伺服电机,Y轴伺服电机,砂轮驱动电机,砂轮,数控系统,主轴夹盘上嵌装有电永磁体,主轴夹盘外设置有防护罩,防护罩上安装有测量步进伺服电机,该测量步进伺服电机的轴出轴与测量臂的一端连接,测量臂的延伸端上装有非接触式位移传感器;主轴电机采用感应异步伺服电机。使用数控技术对主轴、X轴的速度和位置进行了控制,实现了主轴转动和X轴的共同移速度根据磨头砂轮在X轴的坐标变化而变化,从而实现锯片磨削时的工件线速度恒定不变,主轴每转磨头砂轮横向位位移量不变。


