授权公布号:CN215053445U
基于印刷机的中央供水系统装置
有效
申请
2021-03-25
申请公布
1970-01-01
授权
2021-12-07
预估到期
2031-03-25
| 申请号 | CN202120610081.2 |
| 申请日 | 2021-03-25 |
| 授权公布号 | CN215053445U |
| 授权公告日 | 2021-12-07 |
| 分类号 | E03B1/02;E03B7/07 |
| 分类 | 给水;排水; |
| 申请人名称 | 北京华联印刷有限公司 |
| 申请人地址 | 北京市大兴区北京经济技术开发区东环北路3号 |
专利法律状态
2021-12-07
授权
状态信息
授权
摘要
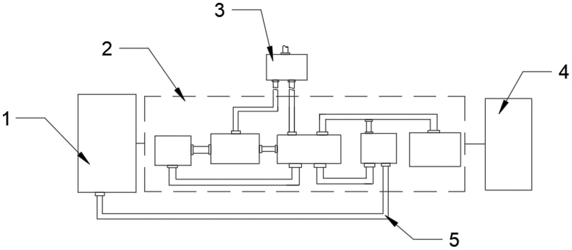
本实用新型提供基于印刷机的中央供水系统装置,包括:集中散热单元、过滤单元、回水箱、供水箱、制冷机构以及配比单元,所述集中散热单元与集中供水系统管道连接,所述集中散热单元由风扇机组、外壳以及格栅构成,所述外壳前表面、后表面均安装有格栅,所述外壳内部安装有风扇机组,与现有技术相比,本实用新型具有如下的有益效果:通过设置集中散热单元和集中供水系统,为印刷机提供润版液的集中冷却、集中过滤净化等功能,配比单元与参数系统的设计,使得印刷机润版液的实现集中配比和自动润版液参数监控,有效提高印刷品质,延长换水周期,明显节约润版液使用,节约润版液废水排放,节约润版液系统保养维护时间。


