授权公布号:CN211708608U
童车前轮叉装配装备
有效
申请
2019-12-26
申请公布
1970-01-01
授权
2020-10-20
预估到期
2029-12-26
| 申请号 | CN201922387076.5 |
| 申请日 | 2019-12-26 |
| 授权公布号 | CN211708608U |
| 授权公告日 | 2020-10-20 |
| 分类号 | B23P21/00 |
| 分类 | 机床;不包含在其他类目中的金属加工; |
| 申请人名称 | 博格步(厦门)轻工制品有限公司 |
| 申请人地址 | 福建省厦门市海沧区出口加工区海沧海景南二路49号 |
专利法律状态
2020-10-20
授权
状态信息
授权
摘要
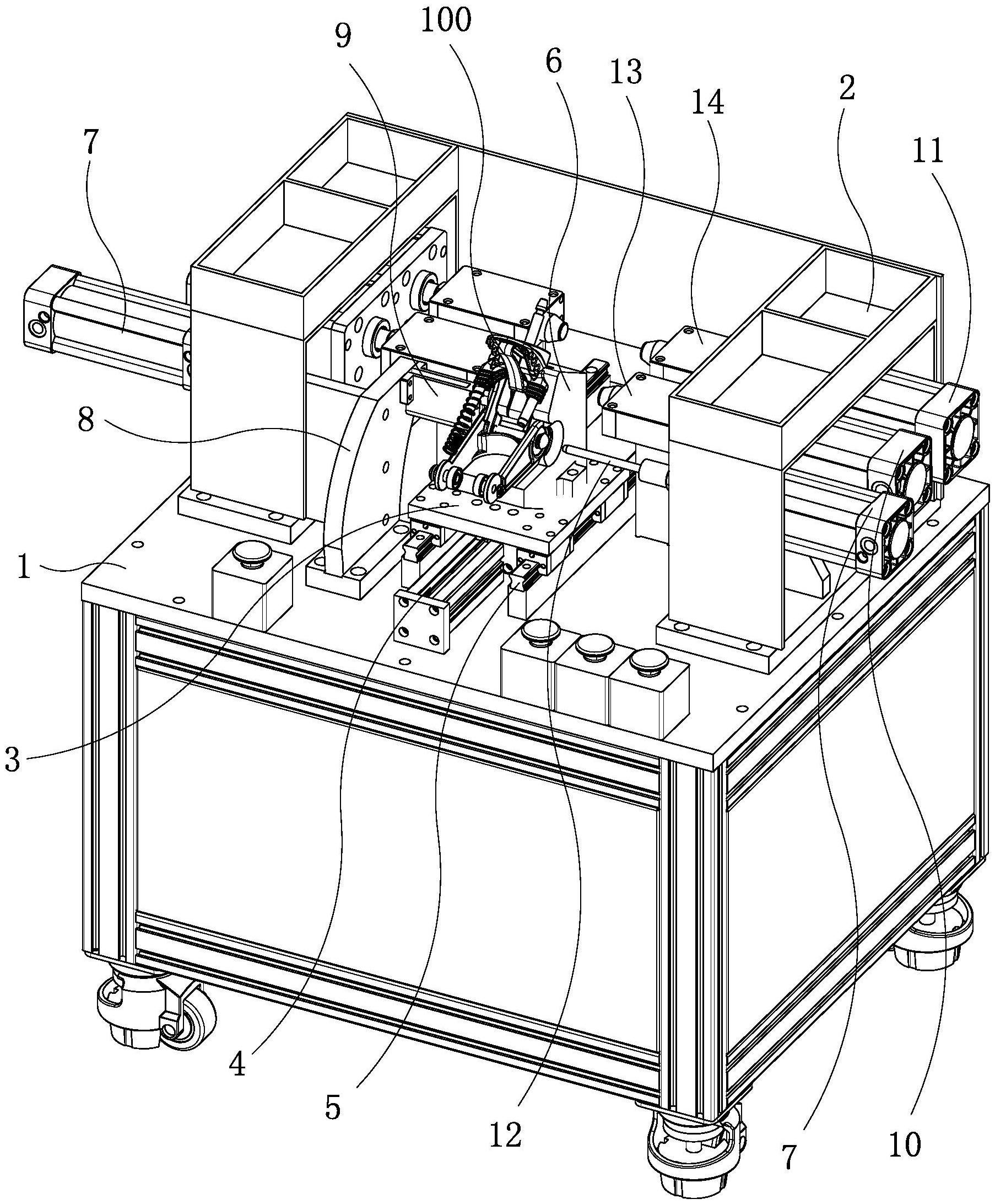
本实用新型公开了一种童车前轮叉装配装备,包括机台、气缸固定架、滑动平台、滑动平台气缸、平台导轨、定位座、穿轴气缸、穿轴杆、轴盒、压滑司气缸、压帽扣气缸。所述的定位座通过滑动平台滑接在平台导轨上,滑动平台气缸安装在机台上,滑动平台气缸的活塞杆杆端与滑动平台连接,气缸固定架固定在机台上,气缸固定架分别依次安装有穿轴气缸、压滑司气缸、压帽扣气缸,两侧的穿轴气缸、压滑司气缸、压帽扣气缸的活塞杆杆端分别相对而设且位于滑动平台的两侧。由于本实用新型的滑动平台气缸可驱动安装在定位座上产品步进向前,在穿轴、压滑司、压帽扣工位上由穿轴气缸、压滑司气缸、压帽扣气缸完成产品的穿轴、压滑司、压帽扣工序,自动化程度较高。


