授权公布号:CN211708571U
童车中央关节压合后悬架装置
有效
申请
2019-12-26
申请公布
1970-01-01
授权
2020-10-20
预估到期
2029-12-26
| 申请号 | CN201922387949.2 |
| 申请日 | 2019-12-26 |
| 授权公布号 | CN211708571U |
| 授权公告日 | 2020-10-20 |
| 分类号 | B23P19/027;B23P19/00 |
| 分类 | 机床;不包含在其他类目中的金属加工; |
| 申请人名称 | 博格步(厦门)轻工制品有限公司 |
| 申请人地址 | 福建省厦门市海沧区出口加工区海沧海景南二路49号 |
专利法律状态
2020-10-20
授权
状态信息
授权
摘要
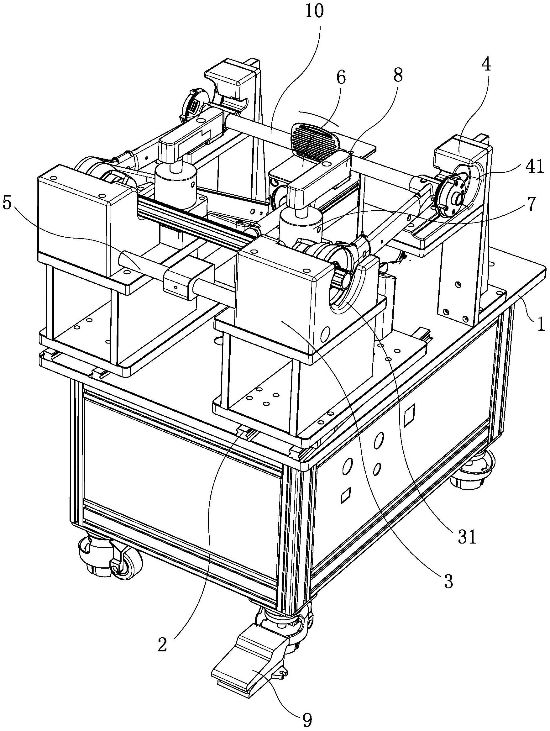
本实用新型公开了一种童车中央关节压合后悬架装置,包括装配机台、滑轨、活动定位座、支撑座、连接杆、伸缩气缸、摆动气缸、压块;所述的滑轨固定在装配机台上,活动定位座滑接在滑轨上,伸缩气缸的缸体固定安装在装配机台上,伸缩气缸的活塞杆杆端通过连接杆与活动定位座连接,摆动气缸固定安装在装配机台上,摆动气缸的活塞杆杆端与压块连接。由于本实用新型的摆动气缸驱动压块将放置在活动定位座与支撑座上的车架组件定位,滑接在在滑轨上的活动定位座在伸缩气缸的驱动下可相对支撑座移动,将放置在活动定位座与支撑座上的车架组件套接在一起,套接平稳、可靠。


