授权公布号:CN216057569U
一种具有定时功能的LED灯
有效
申请
2021-07-14
申请公布
1970-01-01
授权
2022-03-15
预估到期
2031-07-14
| 申请号 | CN202121595775.X |
| 申请日 | 2021-07-14 |
| 授权公布号 | CN216057569U |
| 授权公告日 | 2022-03-15 |
| 分类号 | H05B45/345;H05B47/16 |
| 分类 | 其他类目不包含的电技术; |
| 申请人名称 | 厦门海莱照明有限公司 |
| 申请人地址 | 福建省厦门市集美区锦园东路398号 |
专利法律状态
2022-03-15
授权
状态信息
授权
摘要
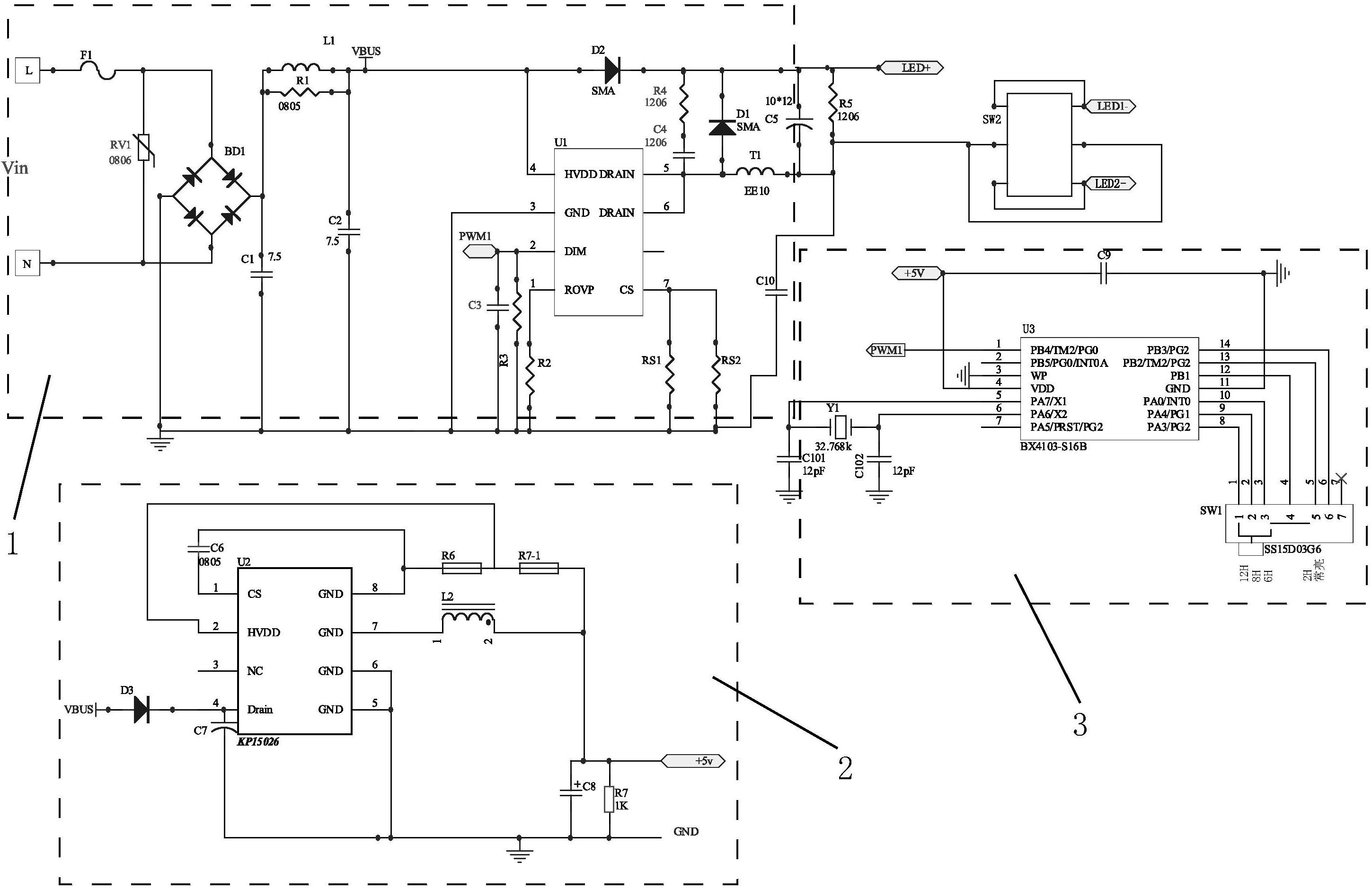
本实用新型涉及照明领域,特别地涉及一种具有定时功能的LED灯。本实用新型公开了一种具有定时功能的LED灯,包括LED驱动电路、LED光源、电源电路和定时电路,LED驱动电路用于驱动LED光源,电源电路为定时电路供电,定时电路包括单片机、晶振和拨动开关,晶振和拨动开关分别与单片机连接,拨动开关用于定时信息的输入,单片机的控制输出端接LED驱动电路的控制输入端,单片机用于根据拨动开关输入的定时信息相应地控制LED驱动电路的工作状态。本实用新型可以定时控制LED灯的工作状态,且定时设置一次,可以多次重复使用,使用便捷,还电路结构简单,易于实现,体积小,成本低。


