授权公布号:CN207259142U
床垫生产用的面料处理装置
有效
申请
2017-09-04
申请公布
1970-01-01
授权
2018-04-20
预估到期
2027-09-04
| 申请号 | CN201721124428.2 |
| 申请日 | 2017-09-04 |
| 授权公布号 | CN207259142U |
| 授权公告日 | 2018-04-20 |
| 分类号 | B68G7/00 |
| 分类 | 鞍具;家具罩面; |
| 申请人名称 | 安徽爱就爱家具制造有限公司 |
| 申请人地址 | 安徽省合肥市肥东县新城开发区古河路 |
专利法律状态
2023-12-22
专利权质押合同登记的生效、变更及注销
状态信息
专利权质押合同登记的注销;IPC(主分类):B68G7/00;授权公告日:20180420;申请日:20170904;专利号:ZL2017211244282;登记号:Y2023980031532;出质人:安徽爱就爱家具制造有限公司;质权人:肥东县中小企业融资担保有限公司;解除日:20231205
2023-02-10
专利权质押合同登记的生效、变更及注销
状态信息
专利权质押合同登记的生效;IPC(主分类):B68G7/00;登记号:Y2023980031532;登记生效日:20230117;出质人:安徽爱就爱家具制造有限公司;质权人:肥东县中小企业融资担保有限公司;实用新型名称:床垫生产用的面料处理装置;申请日:20170904;授权公告日:20180420
2018-04-20
授权
状态信息
授权
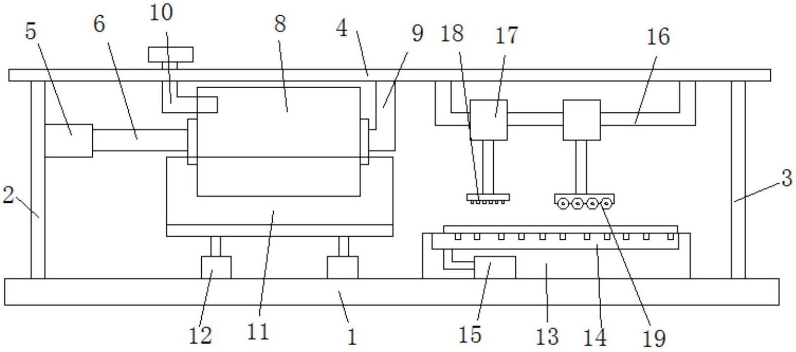
摘要
本实用新型公开了一种床垫生产用的面料处理装置,包括底座,其特征在于:所述底座上设有左、右两支撑柱,所述左、右两支撑柱的顶部设有横梁板,所述左支撑柱的侧壁上设有电机,所述电机的端部连接有传动轴,所述传动轴的端部连接闷洗筒,所述闷洗筒的右端通过连接架连接横梁板,所述闷洗筒的左端设有进料管道,所述闷洗筒的下方设有碱洗池,所述碱洗池的底部设有升降液压缸。本实用新型结构简单,床垫皮质加工质量稳定,舒适度高,染色压纹效果好。


