授权公布号:CN210018683U
恒温恒湿系统
有效
申请
2018-12-12
申请公布
1970-01-01
授权
2020-02-07
预估到期
2028-12-12
| 申请号 | CN201822083796.8 |
| 申请日 | 2018-12-12 |
| 授权公布号 | CN210018683U |
| 授权公告日 | 2020-02-07 |
| 分类号 | A47F3/04;A47B81/00;G05D27/02 |
| 分类 | 家具;家庭用的物品或设备;咖啡磨;香料磨;一般吸尘器; |
| 申请人名称 | 深圳市美晶科技有限公司 |
| 申请人地址 | 广东省深圳市龙华新区龙华街道梅龙大道194号卫东龙商务大厦B座407室 |
专利法律状态
2020-02-07
授权
状态信息
授权
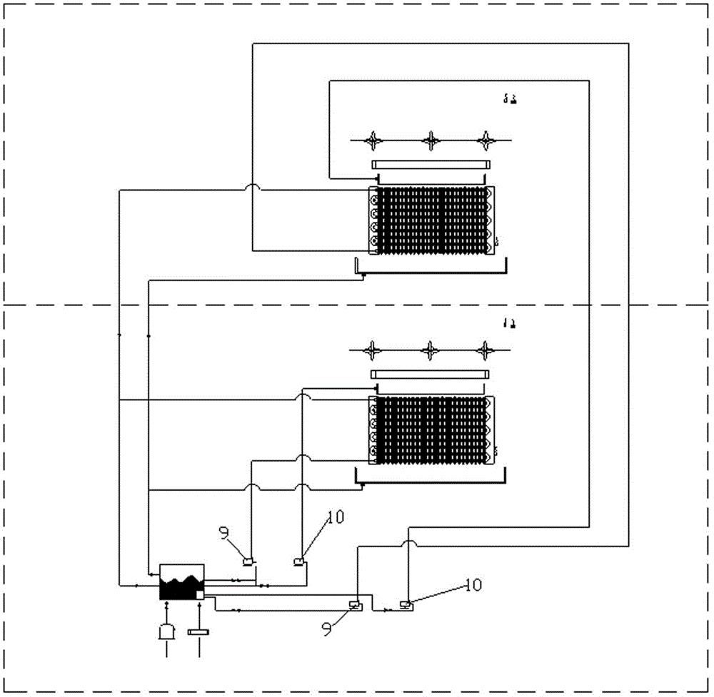
摘要
本实用新型提供了恒温恒湿系统,包括控制器和分别与所述控制器连接的PTC加热器、循环水泵、循环风机、温度传感器和湿度传感器,所述控制器根据采集的当前温度、当前湿度和设定温度、设定湿度,通过增量式PID算法分别对PTC加热器、循环水泵、循环风机进行动态调节。本实用新型基于实际室温和实际温度与该设定值的差值对系统内进行校正、自动调整,采用闭环自动控制,避免被控区间空气温湿度频繁波动、恒温恒湿系统高能耗的运行,降低了整体运行成本,提高了温湿度控制精度,并能实现多温区的温湿度控制。


