授权公布号:CN204423321U
一种充电电磁笔
有效
申请
2015-01-14
申请公布
1970-01-01
授权
2015-06-24
预估到期
2025-01-14
| 申请号 | CN201520024575.7 |
| 申请日 | 2015-01-14 |
| 授权公布号 | CN204423321U |
| 授权公告日 | 2015-06-24 |
| 分类号 | G06F3/0354;G06F3/046 |
| 分类 | 计算;推算;计数; |
| 申请人名称 | 厦门印天电子科技有限公司 |
| 申请人地址 | 福建省厦门市集美区新田路69号1号厂房第2层 |
专利法律状态
2015-06-24
授权
状态信息
授权
摘要
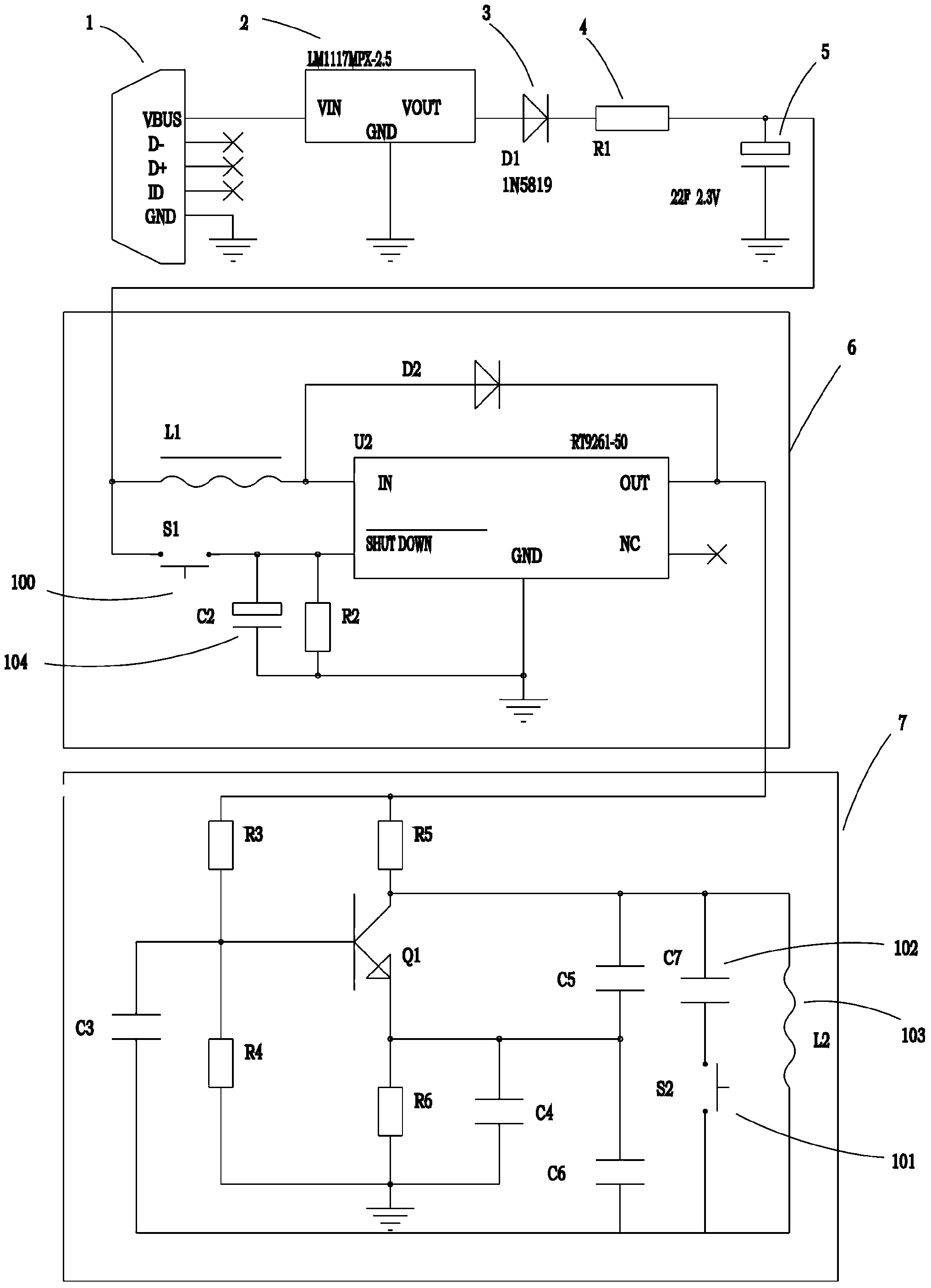
本实用新型公开了一种充电电磁笔,包括用于书写的笔尖和充电电磁笔电路,该充电电磁笔电路包括依次电连接的充电插座、降压型稳压电路、整流二极管、限流电阻、法拉电容、升压型稳压电路和电磁波发射电路;所述升压型稳压电路包括第一弹性开关,所述笔尖与该第一弹性开关固定连接;当笔尖书写时,第一弹性开关闭合,升压型稳压电路处于使能状态,法拉电容经升压型稳压电路稳压后对电磁波发射电路供电;当笔尖不书写时,第一弹性开关断开,升压型稳压电路处于禁能状态,不对电磁波发射电路供电;充电插座充电时,充电电压经降压型稳压电路稳压后经过整流二极管和限流电阻对法拉电容充电。本实用新型充电电路简单、使用安全、寿命长,并且对充放电的次数没有特别的限制。


