授权公布号:CN204429078U
基于高分子筛吸附技术的喷涂有机废气处理系统
有效
申请
2015-01-07
申请公布
1970-01-01
授权
2015-07-01
预估到期
2025-01-07
| 申请号 | CN201520012125.6 |
| 申请日 | 2015-01-07 |
| 授权公布号 | CN204429078U |
| 授权公告日 | 2015-07-01 |
| 分类号 | B01D53/78;B01D53/44;B01D53/72;B01D53/96;B01D50/00;F23G7/07 |
| 分类 | 一般的物理或化学的方法或装置; |
| 申请人名称 | 广东红棉乐器股份有限公司 |
| 申请人地址 | 广东省河源市高新技术开发区管委会办公大楼三楼305室 |
专利法律状态
2016-02-03
专利权人的姓名或者名称、地址的变更
状态信息
专利权人的姓名或者名称、地址的变更;IPC(主分类):B01D53/78;变更事项:专利权人;变更前:广东红棉乐器有限公司;变更后:广东红棉乐器股份有限公司;变更事项:地址;变更前:510330 广东省河源市高新技术开发区管委会办公大楼305室;变更后:510330 广东省河源市高新技术开发区管委会办公大楼三楼305室
2015-07-01
授权
状态信息
授权
摘要
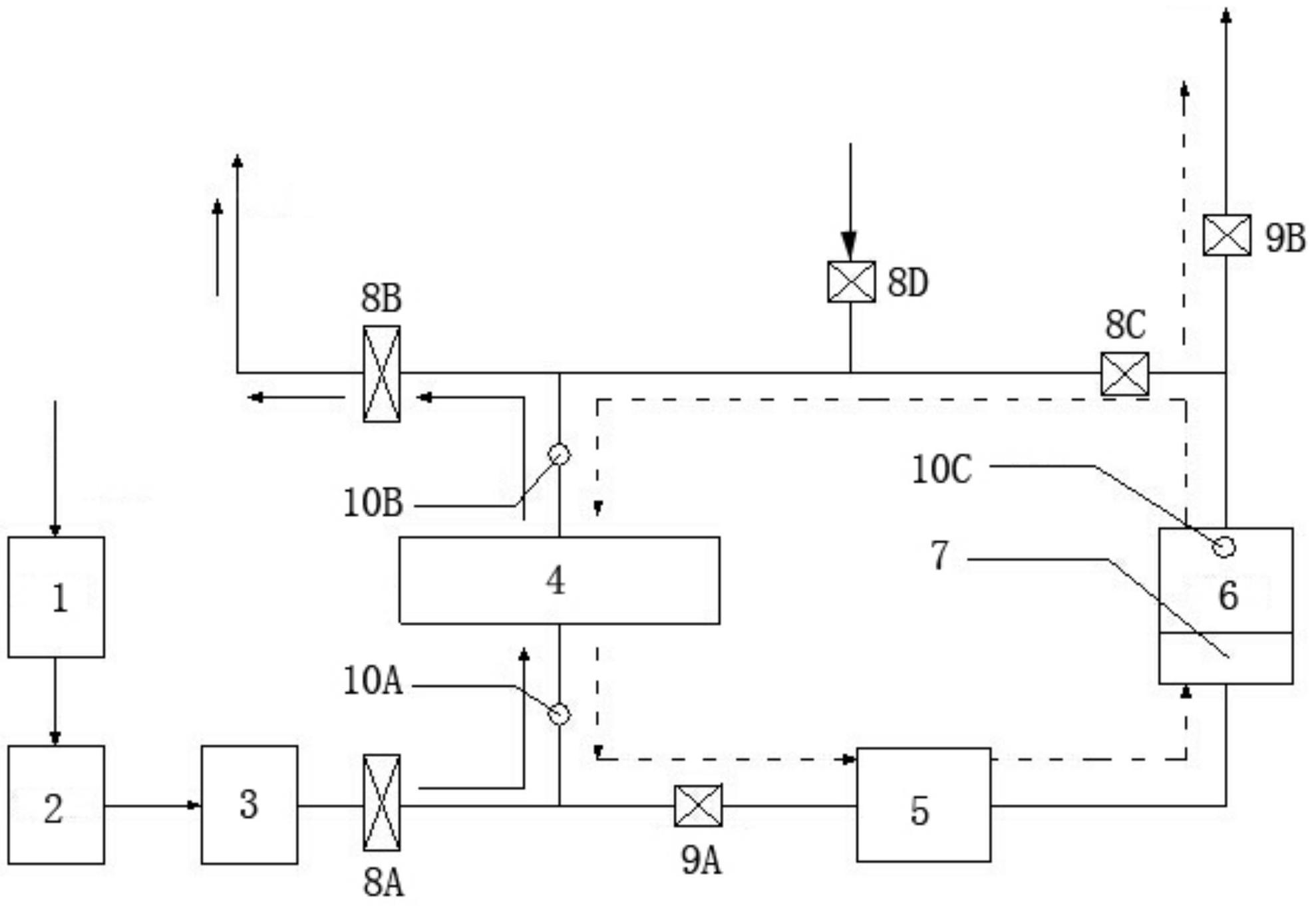
本实用新型涉及基于高分子筛吸附技术的喷涂有机废气处理系统,包括:喷淋吸收塔、过滤器、高分子筛吸附床、催化燃烧设备;沿着有机废气的处理方向,喷淋吸收塔、过滤器、高分子筛吸附床依次设置组成有机废气的处理管路;高分子筛吸附床和催化燃烧设备通过管道相接组成高分子筛的再生回路。本实用新型具有结构简单、操作方便、达到较好的废气处理效果、保护环境、减轻日后的废气处理运营费用的优点,属于喷涂后产生的有机废气处理技术领域。


