授权公布号:CN207286523U
一种便于拿取消防管道的消防柜
失效
申请
2017-08-07
申请公布
1970-01-01
授权
2018-05-01
预估到期
2027-08-07
| 申请号 | CN201720976539.X |
| 申请日 | 2017-08-07 |
| 授权公布号 | CN207286523U |
| 授权公告日 | 2018-05-01 |
| 分类号 | A62C35/20 |
| 分类 | 救生;消防; |
| 申请人名称 | 闽太消防科技股份有限公司 |
| 申请人地址 | 福建省泉州市南安市仑苍镇美宇阀门工业园 |
专利法律状态
2023-08-18
专利权的终止
状态信息
未缴年费专利权终止;IPC(主分类):A62C 35/20;专利号:ZL201720976539X;申请日:20170807;授权公告日:20180501;终止日期:
2018-05-15
专利申请权、专利权的转移
状态信息
专利权的转移;IPC(主分类):A62C35/20;登记生效日:20180426;变更事项:专利权人;变更前:郑萍萍;变更后:闽太消防科技股份有限公司;变更事项:地址;变更前:351100 福建省莆田市秀屿区忠门镇吾田忠东路87号;变更后:362300 福建省泉州市南安市仑苍镇美宇阀门工业园
2018-05-01
授权
状态信息
授权
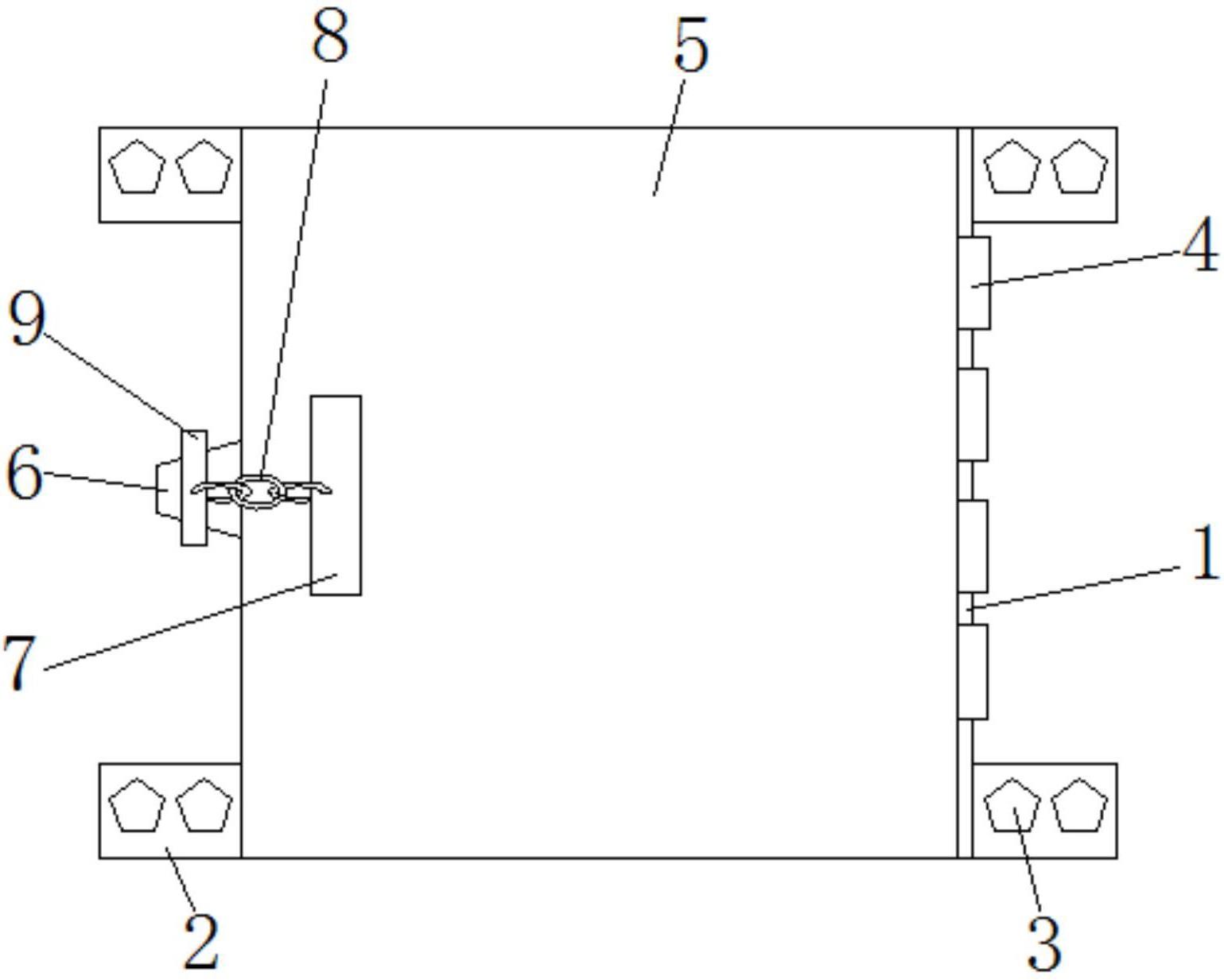
摘要
本实用新型公开了一种便于拿取消防管道的消防柜,包括柜体,所述柜体的背面固定连接有左右对称的安装板,所述安装板的正面固定连接有螺栓,所述柜体的右侧活动连接有铰链,所述铰链在远离柜体的一侧固定连接有柜门,所述柜体的左侧固定连接有结合块,柜门的正面固定连接有把手。本实用新型通过设置卡板、第一弹簧和加力板从而起到方便使用人员取下的作用,通过设置卡板可以达到快速安装和快速取下的效果,通过卡接使整个安装和取下都是直接拿起不需要更多的操作,从而达到提高取下的效率,达到在紧急情况下让工作人员快速获得消防的能力,达到紧急消防的目的,进而达到更好的消防效果,更加保证了建筑工地上的消防安全。


