授权公布号:CN216387797U
一种停车设备用声控存取车装置
有效
申请
2021-10-28
申请公布
1970-01-01
授权
2022-04-26
预估到期
2031-10-28
| 申请号 | CN202122664665.0 |
| 申请日 | 2021-10-28 |
| 授权公布号 | CN216387797U |
| 授权公告日 | 2022-04-26 |
| 分类号 | G05B19/042;G10L15/22 |
| 分类 | 控制;调节; |
| 申请人名称 | 上海爱登堡电梯集团股份有限公司 |
| 申请人地址 | 上海市闵行区恒西路139号 |
专利法律状态
2022-04-26
授权
状态信息
授权
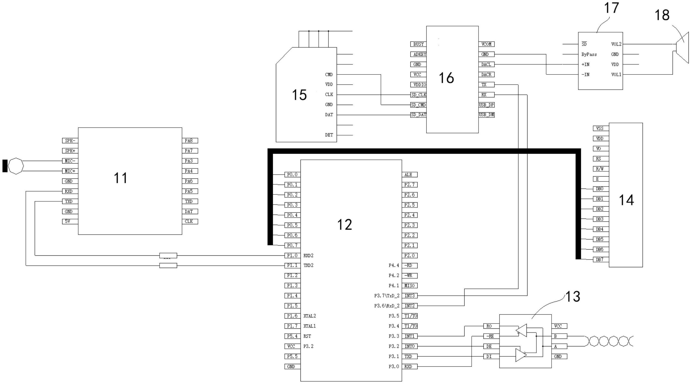
摘要
本实用新型公开了一种停车设备用声控存取车装置,包括声控集成芯片、MCU、485通讯芯片、LCD、TF卡插槽、语音播放芯片、功放芯片和扬声器,所述声控集成芯片、LCD、语音播放芯片分别与所述MCU通讯;所述TF卡插槽、语音播放芯片、功放芯片和扬声器依次相连;所述MCU通过所述485通讯芯片与所述停车设备的主控PLC进行数据交换。本实用新型的停车设备用声控存取车装置,通过语音交互技术实现非接触式存取车,不依赖媒介,不需要随身携带IC卡和手机,既方便又卫生,适应新时代健康卫生要求。


