授权公布号:CN107453449B
一种基于高电压平台的电梯能量回收系统
有效
申请
2017-09-20
申请公布
2017-12-08
授权
2023-07-07
预估到期
2037-09-20
| 申请号 | CN201710853542.7 |
| 申请日 | 2017-09-20 |
| 申请公布号 | CN107453449A |
| 申请公布日 | 2017-12-08 |
| 授权公布号 | CN107453449B |
| 授权公告日 | 2023-07-07 |
| 分类号 | H02J7/00;H02J7/32;B66B11/04 |
| 分类 | 发电、变电或配电; |
| 申请人名称 | 四川科莱电梯股份有限公司 |
| 申请人地址 | 四川省绵阳市游仙区石马工业集中区 |
专利法律状态
2023-07-07
授权
状态信息
授权
2018-01-05
实质审查的生效
状态信息
实质审查的生效;IPC(主分类):H02J7/00;申请日:20170920
2017-12-08
公布
状态信息
公布
摘要
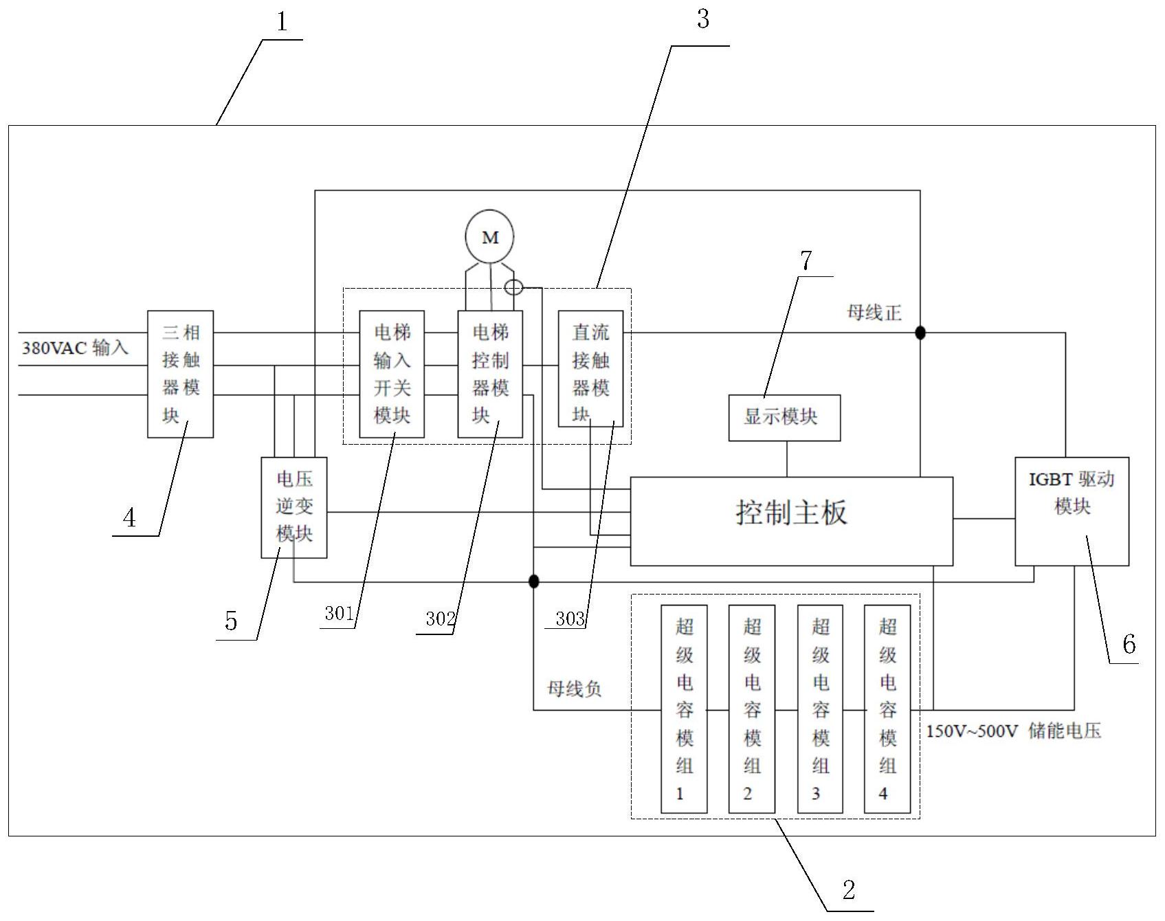
本发明公开了一种基于高电压平台的电梯能量回收系统,包括:一设置有控制主板的电梯能量回收系统本体;一与控制主板通信连接的储能单元;储能单元采用至少四组串联的双电层干性超级电容模组以构成;其中,各所述双电层干性超级电容模组内电容单体的数目为50,且各电容单体的容量被设置为350F‑1000F。采用本发明的电梯能量回收系统提高了电能的转换效率,提高了储能平台的利用率以及超级电容的容量利用空间,降低了成本、提高用户节能经济效益。


