授权公布号:CN206538130U
一种送料的升降装置
有效
申请
2017-02-27
申请公布
1970-01-01
授权
2017-10-03
预估到期
2027-02-27
| 申请号 | CN201720178006.7 |
| 申请日 | 2017-02-27 |
| 授权公布号 | CN206538130U |
| 授权公告日 | 2017-10-03 |
| 分类号 | B66D1/28;B66D1/14 |
| 分类 | 卷扬;提升;牵引; |
| 申请人名称 | 广东万士发饼业有限公司 |
| 申请人地址 | 广东省佛山市顺德区大良金榜工业区凤翔路13号 |
专利法律状态
2017-10-03
授权
状态信息
授权
摘要
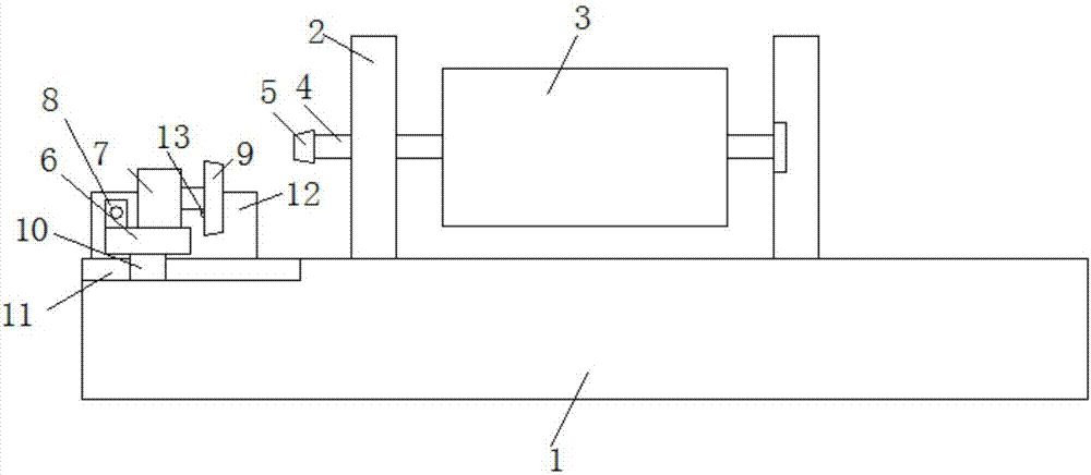
本实用新型公开了一种送料的升降装置,包括基座,所述基座上对称设有固定支架,所述固定支架之间活动设有滚筒,所述滚筒的一侧设有转动轴,所述转动轴贯穿一侧的固定支架,所述滚筒远离转动轴的一侧设有从动轴,且从动轴活动设于另一侧的固定支架上,所述转动轴远离滚筒的一端设有第一齿轮,所述基座上活动设有固定座,且固定座设于固定支架的一侧,所述固定座的顶端设有旋转电机和固定块,且旋转电机设于固定块的一侧,所述旋转电机通过输出轴连接有第二齿轮,且第二齿轮和第一齿轮啮合。本实用新型结构简单,能够快速更换第一齿轮或者第二齿轮,节约工作时间,提高工作效率,满足人们的需求。


