授权公布号:CN217194454U
一种柱塞的球面加工专用修整研磨器
有效
申请
2022-05-11
申请公布
1970-01-01
授权
2022-08-16
预估到期
2032-05-11
| 申请号 | CN202221123916.2 |
| 申请日 | 2022-05-11 |
| 授权公布号 | CN217194454U |
| 授权公告日 | 2022-08-16 |
| 分类号 | B24B11/08;B24B53/12;B24B53/07;B24B41/06;B24B47/12;B23P15/00 |
| 分类 | 磨削;抛光; |
| 申请人名称 | 盘起工业(大连)有限公司 |
| 申请人地址 | 辽宁省大连市经济技术开发区锦州街5号 |
专利法律状态
2022-08-16
授权
状态信息
授权
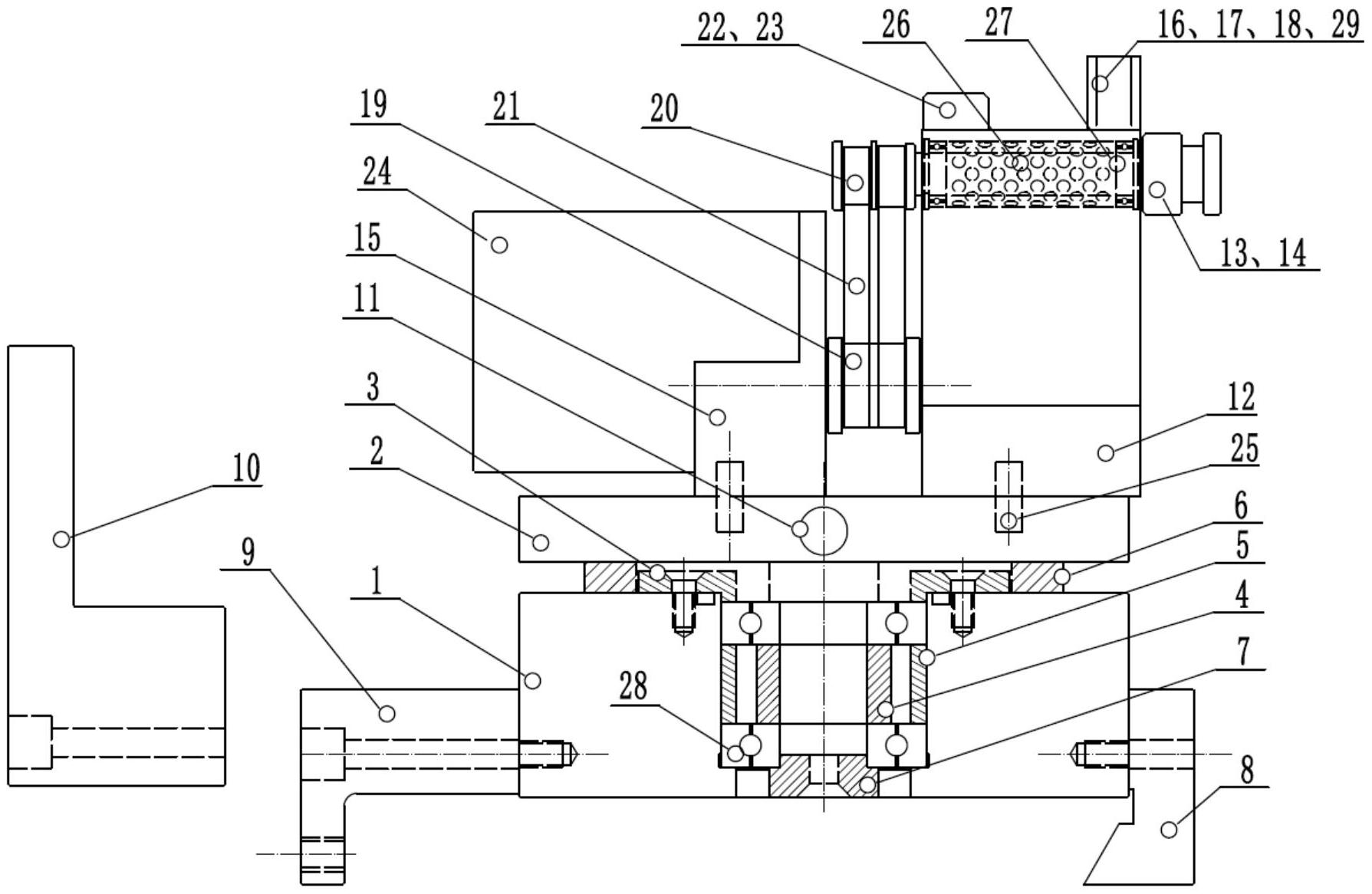
摘要
一种柱塞的球面加工专用修整研磨器,涉及机械加工技术领域。包括旋座组和双滚轮传动组;向心球轴承安装于旋座轴孔内,将旋台安装轴承的一端延旋座轴外端盖的一侧插入向心球轴承内环孔内,将旋台轴内端盖安装在旋座的另一端将轴承内环与旋台轴锁死;主滚轮和副滚轮安装在滚轮座内,主、副滚轮的轴杆后端均安装副同步轮,与电机轴的主同步轮通过同步带连接,所述顶针架的后端安装用于产品轴向定位的顶针,压轮座内安装压轮弹簧和压轮手柄,所述压轮手柄的前端安装用于产品径向定位的压轮。本实用新型能够满足柱塞的使用精度,同时大幅度降低柱塞的加工成本,提高生产率,适用于具有该技术要求的产品的生产加工,进而使产品在市场中更加有竞争力。


