授权公布号:CN113427891B
一种印刷机压力调节装置及其控制方法
有效
申请
2021-08-02
申请公布
2021-09-24
授权
2022-12-23
预估到期
2041-08-02
| 申请号 | CN202110882972.8 |
| 申请日 | 2021-08-02 |
| 申请公布号 | CN113427891A |
| 申请公布日 | 2021-09-24 |
| 授权公布号 | CN113427891B |
| 授权公告日 | 2022-12-23 |
| 分类号 | B41F13/34;B41F33/00 |
| 分类 | 印刷;排版机;打字机;模印机〔4〕; |
| 申请人名称 | 潍坊东航印刷科技股份有限公司 |
| 申请人地址 | 山东省潍坊市高新技术开发区五洲街388号 |
专利法律状态
2022-12-23
授权
状态信息
授权
2021-09-24
公布
状态信息
公布
摘要
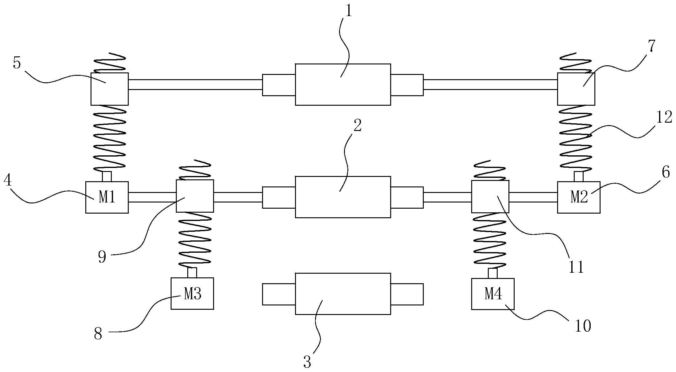
本发明公开了一种印刷机压力调节装置及其控制方法,属于印刷机技术领域,印刷机压力调节装置包括平行排列的网辊、版辊和承印辊,版辊位于网辊与承印辊之间,网辊与版辊之间以及版辊与承印辊之间分别设置有用于调节辊间距离的调节机构,调节机构与用于输入控制指令的控制系统电连接;调节机构设置有四个,调节机构由伺服电机、连接于伺服电机输出轴的丝杠以及套装在丝杠上的丝套组成;其控制方法由控制系统自动计算并控制到达离合压位置、滑入滑出位置,同时设置了人工微调系统,可根据产品的印刷效果人工调节,能够实现精确定位且具有可存储性,使得压力调节更方便快捷。


