授权公布号:CN107885107B
舞台滑轨控制系统
有效
申请
2017-12-17
申请公布
2018-04-06
授权
2023-12-19
预估到期
2037-12-17
| 申请号 | CN201711360321.2 |
| 申请日 | 2017-12-17 |
| 申请公布号 | CN107885107A |
| 申请公布日 | 2018-04-06 |
| 授权公布号 | CN107885107B |
| 授权公告日 | 2023-12-19 |
| 分类号 | G05B19/04 |
| 分类 | 控制;调节; |
| 申请人名称 | 上海灿星文化传媒股份有限公司 |
| 申请人地址 | 上海市长宁区广顺路33号8幢432室 |
专利法律状态
2023-12-19
授权
状态信息
授权
2018-07-10
著录事项变更
状态信息
著录事项变更;IPC(主分类):G05B19/04;变更事项:申请人;变更前:上海灿星文化传播有限公司;变更后:上海灿星文化传媒股份有限公司;变更事项:地址;变更前:200335 上海市长宁区广顺路33号8幢432室;变更后:200335 上海市长宁区广顺路33号8幢432室
2018-05-01
实质审查的生效
状态信息
实质审查的生效;IPC(主分类):G05B19/04;申请日:20171217
2018-04-06
公布
状态信息
公布
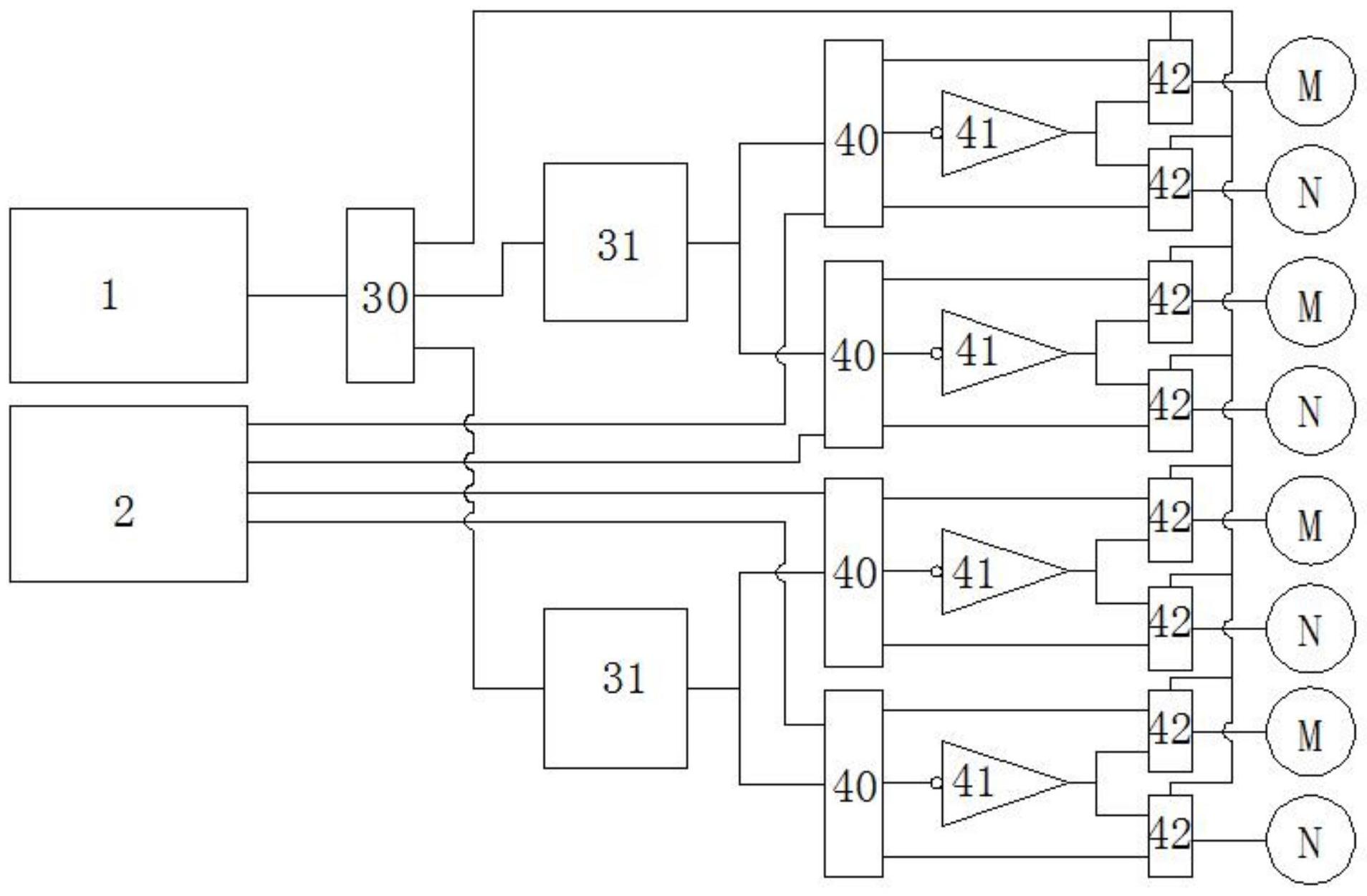
摘要
本发明涉及舞台设备控制技术领域,具体是涉及一种应用于舞台滑轨控制的舞台滑轨控制系统,包括用以发送信号和处理信息的主处理器、用以实现调节和紧急控制的控制台、与所述主处理器和所述控制台通讯连接的通讯组件、与所述通讯组件连接的控制组件、与所述控制组件连接的执行组件。有益效果是:通过由PC上位机、远程控制器、急停开关和互锁控制器组成的滑轨控制系统,来实现舞台滑轨的自动化控制,方便了舞台滑轨的运动和调控,使得舞台的效果更加稳定,效果更好,舞台设备更加自动化和智能化。


