授权公布号:CN219452340U
一种用于空压机的冷却水组件
有效
申请
2022-12-31
申请公布
1970-01-01
授权
2023-08-01
预估到期
2032-12-31
| 申请号 | CN202223597132.6 |
| 申请日 | 2022-12-31 |
| 授权公布号 | CN219452340U |
| 授权公告日 | 2023-08-01 |
| 分类号 | F04B39/06;F04B39/16;F04B39/14 |
| 分类 | 液体变容式机械;液体泵或弹性流体泵; |
| 申请人名称 | 四川德胜集团钒钛有限公司 |
| 申请人地址 | 四川省乐山市沙湾区铜河路南段8号 |
专利法律状态
2023-08-01
授权
状态信息
授权
摘要
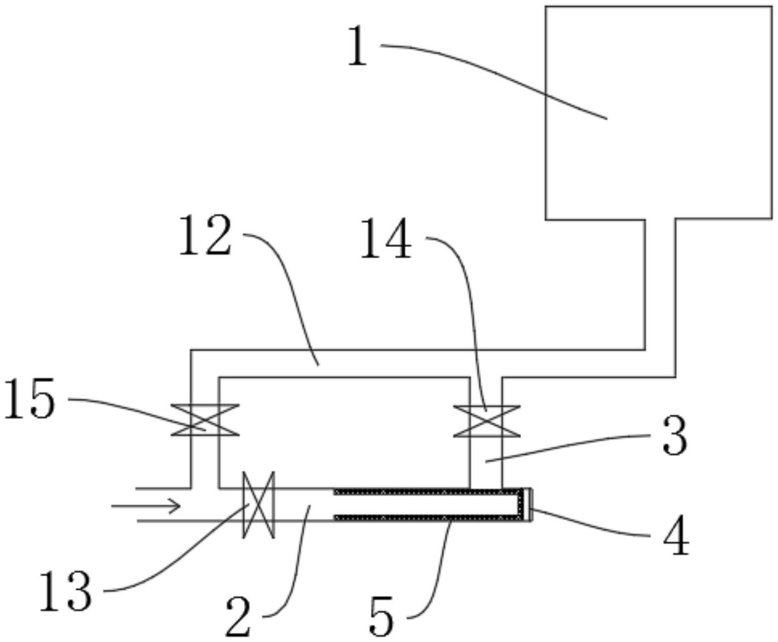
本实用新型属于空压机辅助设备技术领域,公开了一种用于空压机的冷却水组件,包括油冷却器和主管路;所述主管路与油冷却器连通;所述主管路包括第一管路和第二管路;所述第一管路的末端设有可拆卸于第一管路的盲板,所述第一管路内设有与其可拆卸连接的过滤桶;所述第二管路的一端与油冷却器连通,另一端连通于第一管路的侧壁,且位于过滤桶的末端一侧。本实用新型能够将树叶、垃圾等杂质进行过滤,避免杂质进入油冷却器。


