授权公布号:CN218669475U
一种地源热泵、太阳能和燃气耦合发电系统
有效
申请
2022-12-09
申请公布
1970-01-01
授权
2023-03-21
预估到期
2032-12-09
| 申请号 | CN202223318863.2 |
| 申请日 | 2022-12-09 |
| 授权公布号 | CN218669475U |
| 授权公告日 | 2023-03-21 |
| 分类号 | F01D15/10;F01K7/16;F01K11/02;F01K13/00;F02C6/00;F01K23/02;F24S20/40;F25B30/06 |
| 分类 | 一般机器或发动机;一般的发动机装置;蒸汽机; |
| 申请人名称 | 中铁隆工程集团有限公司 |
| 申请人地址 | 四川省成都市武侯区武科西二路189号中铁隆大厦8层 |
专利法律状态
2023-03-21
授权
状态信息
授权
摘要
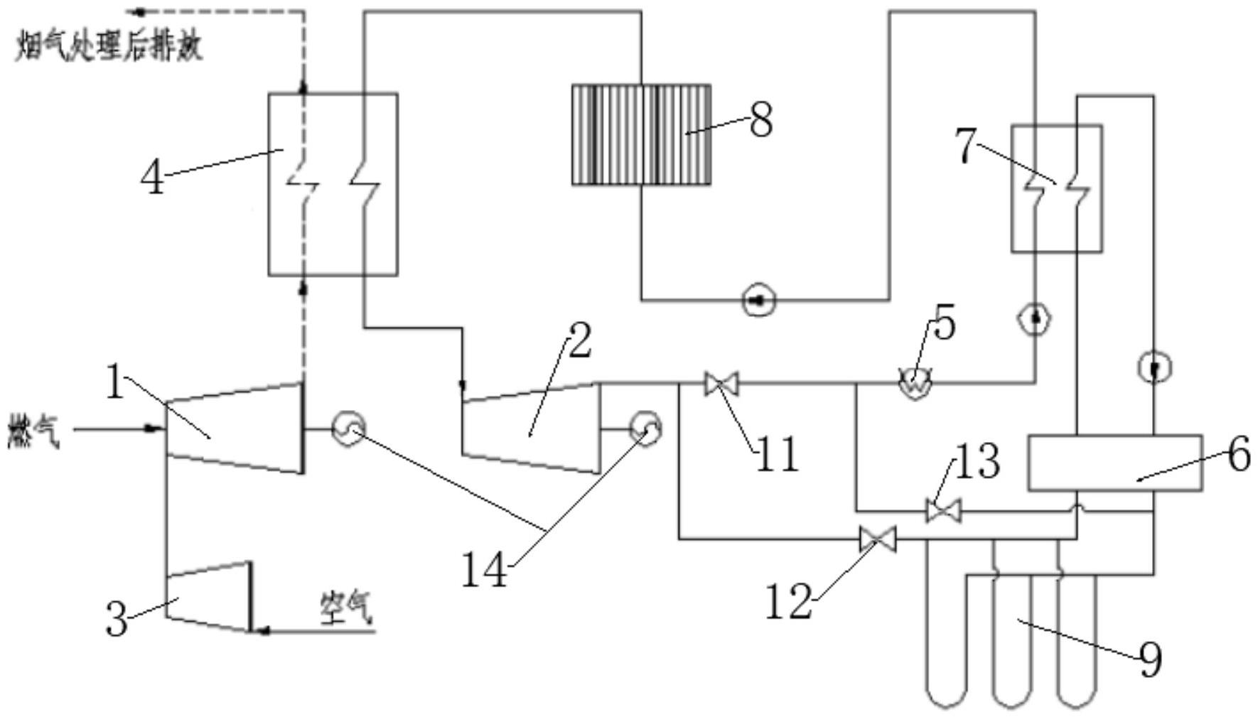
本实用新型公开了一种地源热泵、太阳能和燃气耦合发电系统,包括燃气轮机发电系统和汽轮机发电系统,所述燃气轮机发电系统包括用于发电的燃气轮机,所述汽轮机发电系统包括用于地源热泵供热模块、太阳能集热模块和用于发电的汽轮机,所述地源热泵供热模块、太阳能集热模块均与所述汽轮机连通;所述燃气轮机通过余热锅炉与所述汽轮机发电系统连通。本实用新型,利用燃气轮机发电系统和汽轮机发电系统将利用地源热泵、太阳能和燃气的三种发电方式进行耦合,从而有效的克服了单独利用单个能源发电时的缺点并增强了系统的发电能力;同时通过余热锅炉将燃气轮机排放烟气中残留的热量输入到汽轮机发电系统进行发电,从而提高了能源的利用效率。


