授权公布号:CN210814591U
一种环己烷氧化制备环己酮的氧化尾气节能吸收装置
有效
申请
2019-10-16
申请公布
1970-01-01
授权
2020-06-23
预估到期
2029-10-16
| 申请号 | CN201921738485.9 |
| 申请日 | 2019-10-16 |
| 授权公布号 | CN210814591U |
| 授权公告日 | 2020-06-23 |
| 分类号 | B01D53/18;B01D53/00 |
| 分类 | 一般的物理或化学的方法或装置; |
| 申请人名称 | 湖南百利工程科技股份有限公司 |
| 申请人地址 | 湖南省岳阳市岳阳楼区洞庭大道1号 |
专利法律状态
2020-06-23
授权
状态信息
授权
摘要
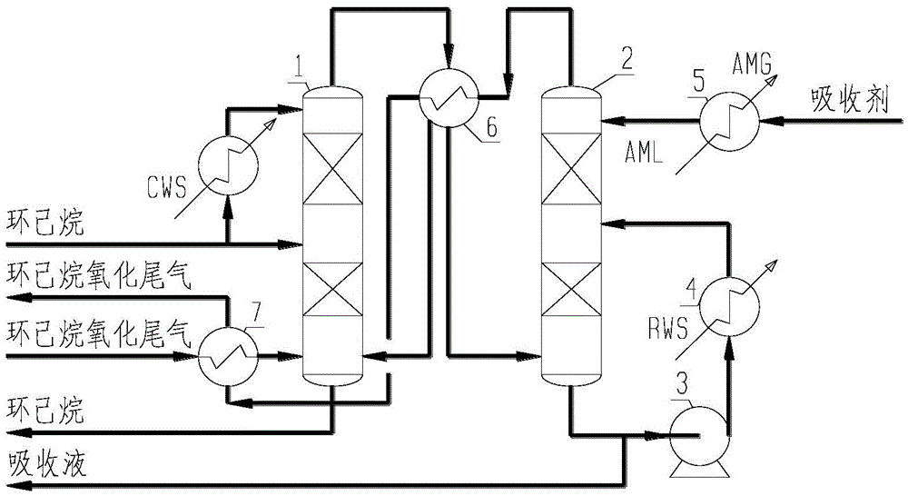
本实用新型公开了一种环己烷氧化制备环己酮的氧化尾气节能吸收装置,由洗涤塔、尾气换热器、尾气冷却器、吸收塔、吸收塔釜液泵、吸收液循环冷却器、吸收剂进料冷却器组成;吸收液循环冷却器的冷却介质为液氨(或低温冷却水)、吸收剂进料冷却器的冷却介质为液氨;本实用新型增设尾气换热器、尾气冷却器,采用吸收塔顶部排出的低温气体与洗涤塔顶部排出的气体和/或洗涤塔底部进入气体和/或洗涤塔液体进料三者中的一个或多个进行换热,大幅度地降低了的制冷负荷、系统液氨循环量和液氨存储量,既降低了装置的投资与运行成本,又减少了装置内氨的存储量,改善了装置本质安全性,在经济和安全等方面都具有重大意义。


