授权公布号:CN218811565U
一种天然气脱重烃装置及系统
有效
申请
2022-07-21
申请公布
1970-01-01
授权
2023-04-07
预估到期
2032-07-21
| 申请号 | CN202221887946.0 |
| 申请日 | 2022-07-21 |
| 授权公布号 | CN218811565U |
| 授权公告日 | 2023-04-07 |
| 分类号 | C10L3/10 |
| 分类 | 石油、煤气及炼焦工业;含一氧化碳的工业气体;燃料;润滑剂;泥煤; |
| 申请人名称 | 深圳市燃气集团股份有限公司 |
| 申请人地址 | 广东省深圳市福田区梅坳一路268号 |
专利法律状态
2023-04-07
授权
状态信息
授权
摘要
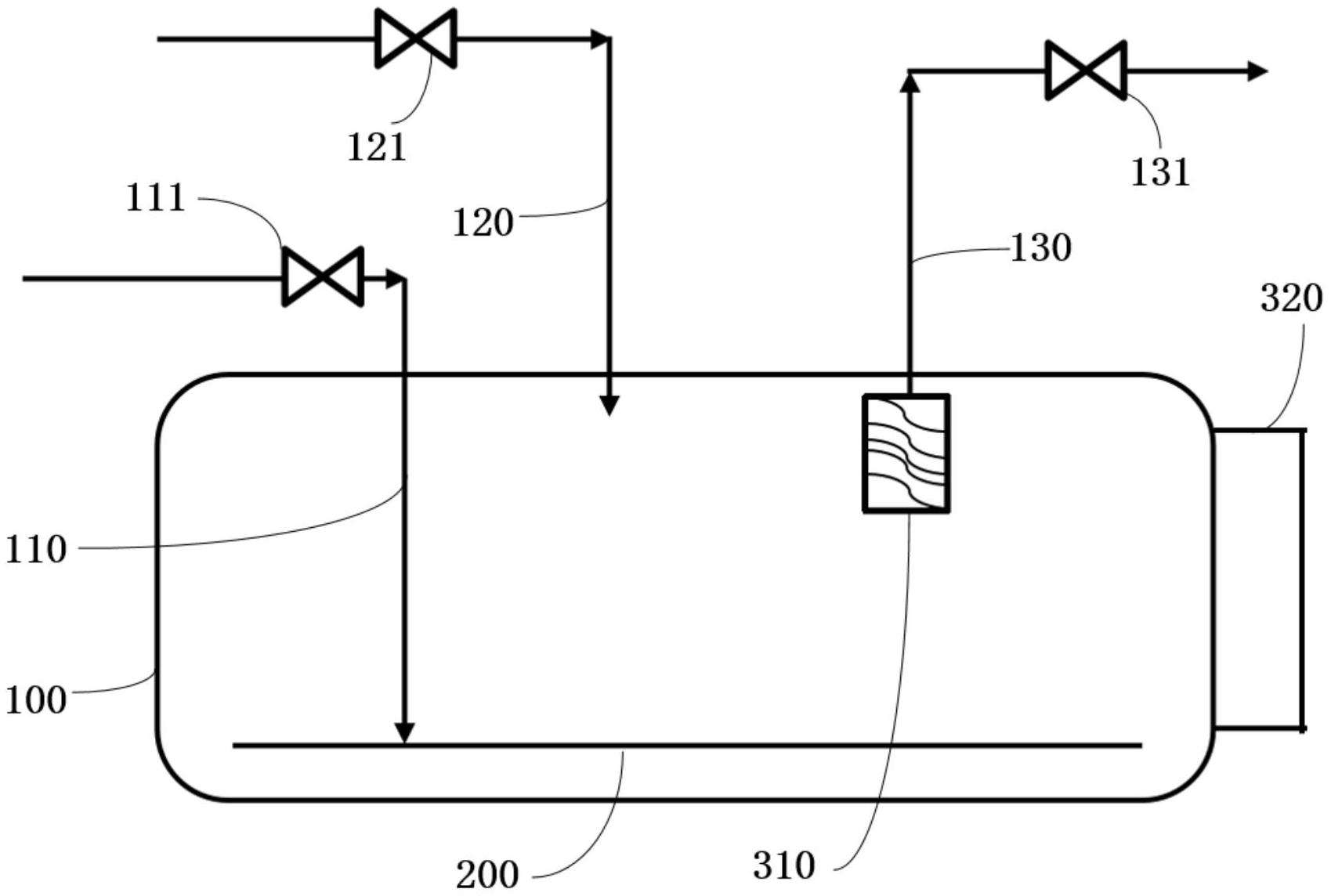
本实用新型公开了一种天然气脱重烃装置及系统,所述脱重烃装置包括:重烃储罐;第一管道,与所述重烃储罐连通;第二管道,与所述重烃储罐连通;分布管道,设置于所述重烃储罐的底部;其中,所述第一管道与所述分布管道连接,所述分布管道设有进气端和多个喷气口。本实用新型通过天然气从分布管道的进气端输入并从多个喷气口喷出,配合第二管道输入的液态重烃,从而使液态重烃与天然气中的重烃组分充分混合气化进行脱除,从而降低操作复杂程度,提高经济效益。


