授权公布号:CN110334038B
一种串口通讯的监测系统
有效
申请
2019-05-24
申请公布
2019-10-15
授权
2024-02-20
预估到期
2039-05-24
| 申请号 | CN201910440152.6 |
| 申请日 | 2019-05-24 |
| 申请公布号 | CN110334038A |
| 申请公布日 | 2019-10-15 |
| 授权公布号 | CN110334038B |
| 授权公告日 | 2024-02-20 |
| 分类号 | G06F13/12;G06F13/40;G06F13/42 |
| 分类 | 计算;推算;计数; |
| 申请人名称 | 深圳市元征科技股份有限公司 |
| 申请人地址 | 广东省深圳市龙岗区坂雪岗工业区五和大道北元征工业园新研发大楼 |
专利法律状态
2024-02-20
授权
状态信息
授权
2019-11-08
实质审查的生效
状态信息
实质审查的生效;IPC(主分类):G06F13/12;申请日:20190524
2019-10-15
公布
状态信息
公布
摘要
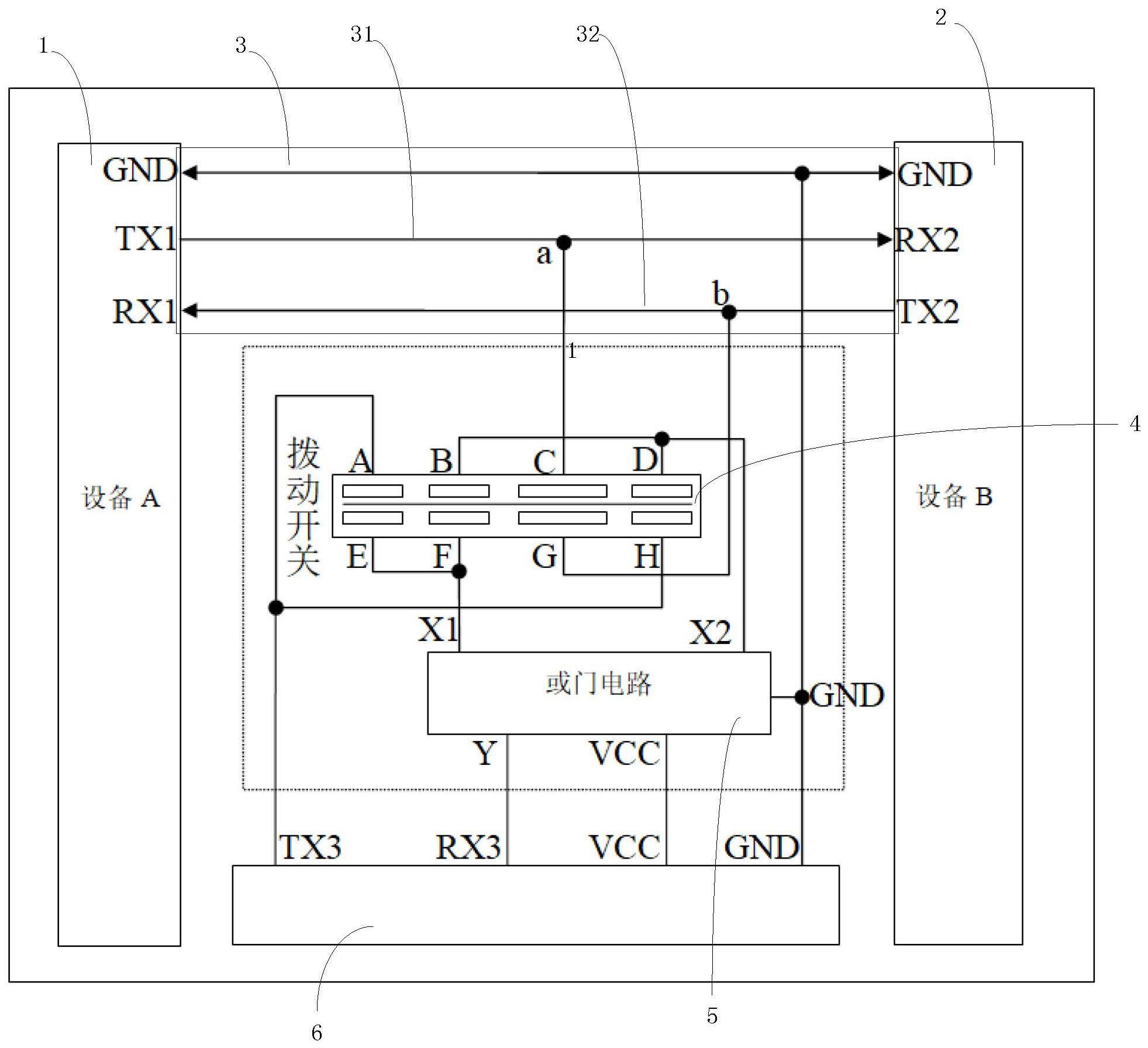
本申请公开了一种串口通讯的监测系统,用于监测第一设备和第二设备之间的串口通信数据,第一设备通过第一传输线向第二设备发送数据,第二设备通过第二传输线向第一设备发送数据;监测系统包括拨动开关、或门电路和第二串口线,拨动开关与第一串口线连接,或门电路的输入端与拨动开关连接,或门电路的输出端与第二串口线的接收端连接;第二串口线的发送端与拨动开关连接。本申请公开的串口通讯的监测系统,用一根串口线即可实现串口通讯的监测,结构简单、不占用资源、不容易出错,便于排查通讯故障。


