授权公布号:CN220636939U
温感模块生产设备
有效
申请
2023-08-14
申请公布
1970-01-01
授权
2024-03-22
预估到期
2033-08-14
| 申请号 | CN202322184140.6 |
| 申请日 | 2023-08-14 |
| 授权公布号 | CN220636939U |
| 授权公告日 | 2024-03-22 |
| 分类号 | B23P23/06 |
| 分类 | 机床;不包含在其他类目中的金属加工; |
| 申请人名称 | 广东亿鑫丰智能装备股份有限公司 |
| 申请人地址 | 广东省东莞市道滘镇南城村南城工业区第三小区16号 |
专利法律状态
2024-03-22
授权
状态信息
授权
摘要
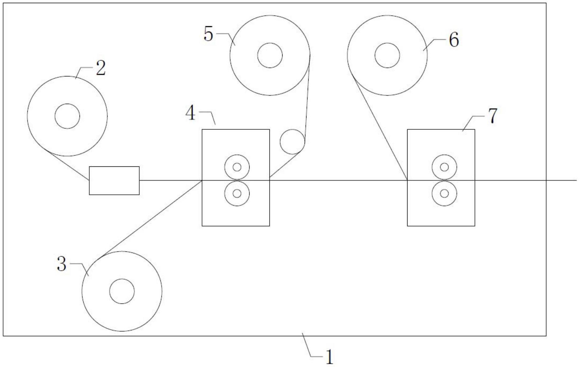
本实用新型涉及温感元器件生产技术领域,具体涉及一种温感模块生产设备,包括机架、设于机架的铜箔放料装置、第一膜料放卷装置、切料装置、铜箔收卷装置、第二膜料放卷装置、以及复合成型装置;铜箔放料装置用于将铜箔放料至切料装置,第一膜料放卷装置用于将第一膜料放卷至切料装置,切料装置用于在铜箔上切出温感模块的第一电极和第二电极,切料装置用于将第一电极和第二电极辊压覆合在第一膜料上。本实用新型解决了现有对温感模块制备难度高,效率低的问题,整体制造效率高,适合大批量生产,大大降低生产成本。


