授权公布号:CN211073771U
塑料管材旋切装置
有效
申请
2019-07-18
申请公布
1970-01-01
授权
2020-07-24
预估到期
2029-07-18
| 申请号 | CN201921130216.4 |
| 申请日 | 2019-07-18 |
| 授权公布号 | CN211073771U |
| 授权公告日 | 2020-07-24 |
| 分类号 | B26D3/16 |
| 分类 | 手动切割工具;切割;切断; |
| 申请人名称 | 湖北钟格塑料管有限公司 |
| 申请人地址 | 湖北省荆门市钟祥市钟祥市工业园区 |
专利法律状态
2020-07-24
授权
状态信息
授权
摘要
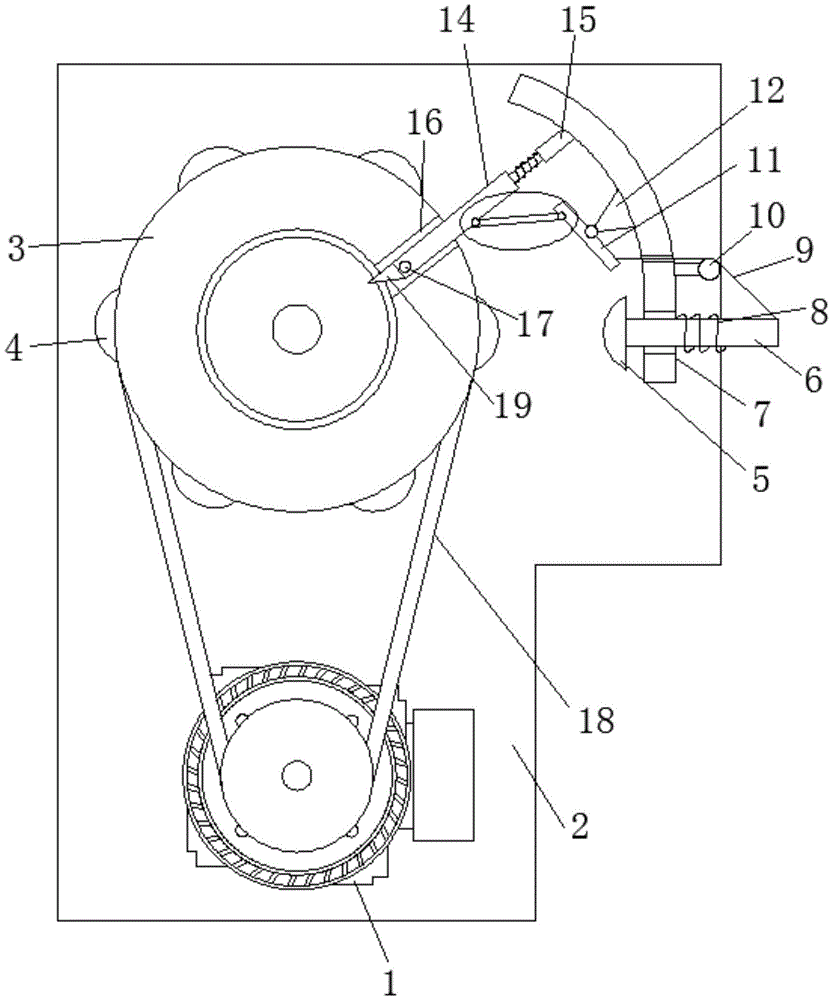
本实用新型涉及塑料管材旋切装置,旨在解决现有的割刀进刀量不易控制,从而导致切口质量参差不齐,进一步影响产品质量的问题,包括驱动电机和转动盘,驱动电机设置在工作台上,且驱动电机和转动盘通过传送带传动连接;本实用新型中,通过设置了六个主磁铁和从磁铁的组合结构,且六个主磁铁设置为一样,同时设定主磁铁和从磁铁相互靠近的一侧相斥,因此在实际工作时,每个主磁铁和从磁铁之间的斥力一致,这样在实际切割时,就可以保证切割力大小的一致,从而可以保证切口质量的一致,进而可以保证产品的质量,因此在实际的应用中,具有很高的实用价值。


