授权公布号:CN109597966B
电机控制器中功率元件IGBT结温的估算方法
有效
申请
2018-11-30
申请公布
2019-04-09
授权
2023-03-24
预估到期
2038-11-30
| 申请号 | CN201811459039.4 |
| 申请日 | 2018-11-30 |
| 申请公布号 | CN109597966A |
| 申请公布日 | 2019-04-09 |
| 授权公布号 | CN109597966B |
| 授权公告日 | 2023-03-24 |
| 分类号 | G06F17/17;G01N25/20;G01R31/26;G01K7/22 |
| 分类 | 计算;推算;计数; |
| 申请人名称 | 上海大郡动力控制技术有限公司 |
| 申请人地址 | 上海市闵行区浦江镇新骏环路188号1号楼 |
专利法律状态
2023-03-24
授权
状态信息
授权
2019-04-09
公布
状态信息
公布
摘要
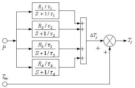
本发明公开了一种电机控制器中功率元件IGBT结温的估算方法,本方法根据在一定温度范围内,IGBT的饱和压降与结温之间存在着可近似视为线性的关系,利用饱和压降与温度的关系间接得到结温,从而根据结温和热敏电阻测量得到的温度的对应关系,得出从IGBT基板到IGBT芯片的瞬态热阻抗曲线,然后通过曲线拟合得到IGBT瞬态热阻抗数学模型,通过该模型计算得IGBT瞬时结温。本方法克服传统IGBT结温估算的缺陷,根据实际试验数据建立IGBT的瞬态热阻模型,提高模型参数的精度,其结温估算简单,便于实现,计算量小,降低元器件成本,且估算误差小,提高了电机控制器的最大输出能力及安全性。


