授权公布号:CN211237945U
一种变压器引线紧固结构
有效
申请
2020-03-18
申请公布
1970-01-01
授权
2020-08-11
预估到期
2030-03-18
| 申请号 | CN202020341661.1 |
| 申请日 | 2020-03-18 |
| 授权公布号 | CN211237945U |
| 授权公告日 | 2020-08-11 |
| 分类号 | H01F27/29 |
| 分类 | 基本电气元件; |
| 申请人名称 | 鲁特电工股份有限公司 |
| 申请人地址 | 山东省济宁市金乡经济开发区王杰路西段15-1号 |
专利法律状态
2020-08-11
授权
状态信息
授权
摘要
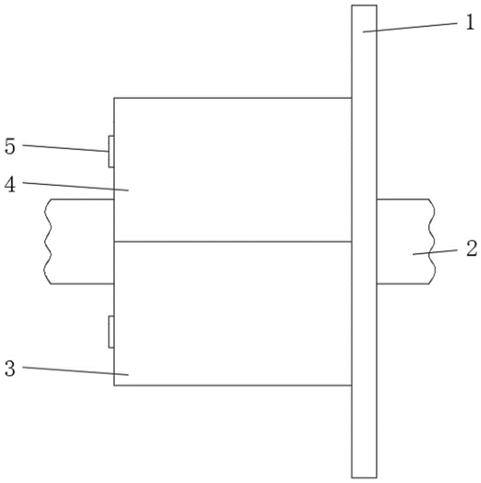
本实用新型公开了一种变压器引线紧固结构,包括端板、线缆、第一半圆环、第二半圆环和螺栓,所述端板上开设有线孔,所述线孔处的端板一侧固定有固定环,所述固定环异于两端的表面固定有环形板,所述环形板与端板一侧之间留有空隙,所述线缆从线孔和固定环之间穿过,所述第一半圆环和第二半圆环的一端分别卡接在环形板与端板一侧之间的空隙内,所述第一半圆环和第二半圆环的另一端内侧分别贴合固定有橡胶垫,两个所述橡胶垫对接后将线缆卡住,两个所述螺栓分别穿过第一半圆环和第二半圆环拧进环形板一侧上下两端开设的螺孔内。本实用新型具有紧固引线,紧固结构便于安装或者拆卸的优点。


