授权公布号:CN219498942U
一种三相电机缺相保护电路
有效
申请
2023-04-03
申请公布
1970-01-01
授权
2023-08-08
预估到期
2033-04-03
| 申请号 | CN202320714008.9 |
| 申请日 | 2023-04-03 |
| 授权公布号 | CN219498942U |
| 授权公告日 | 2023-08-08 |
| 分类号 | H02H7/09 |
| 分类 | 发电、变电或配电; |
| 申请人名称 | 中山市海一舟电子有限公司 |
| 申请人地址 | 广东省中山市沙溪镇庞头工业街46号之一1、2、4楼 |
专利法律状态
2023-08-08
授权
状态信息
授权
摘要
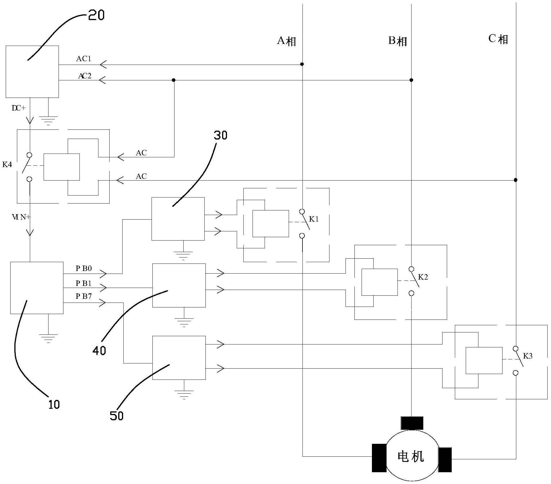
本实用新型公开了一种三相电机缺相保护电路,包括主控模块、整流模块、第一继电器K1、第二继电器K2、第三继电器K3以及中间继电器K4;能够通过三个继电器来分别控制三相电机的三个输入端,并且通过整流模块以及中间继电器的配合,可使得三相电源的任意一相缺相时均可断开三相电机的供电,大大提高了安全性。


