授权公布号:CN217675759U
用于凹版印刷机的放卷装置
有效
申请
2022-06-22
申请公布
1970-01-01
授权
2022-10-28
预估到期
2032-06-22
| 申请号 | CN202221569687.7 |
| 申请日 | 2022-06-22 |
| 授权公布号 | CN217675759U |
| 授权公告日 | 2022-10-28 |
| 分类号 | B65H16/06;B65H23/032 |
| 分类 | 输送;包装;贮存;搬运薄的或细丝状材料; |
| 申请人名称 | 杭州博思特装饰材料有限公司 |
| 申请人地址 | 浙江省杭州市临安市太湖源镇浪口村 |
专利法律状态
2022-10-28
授权
状态信息
授权
摘要
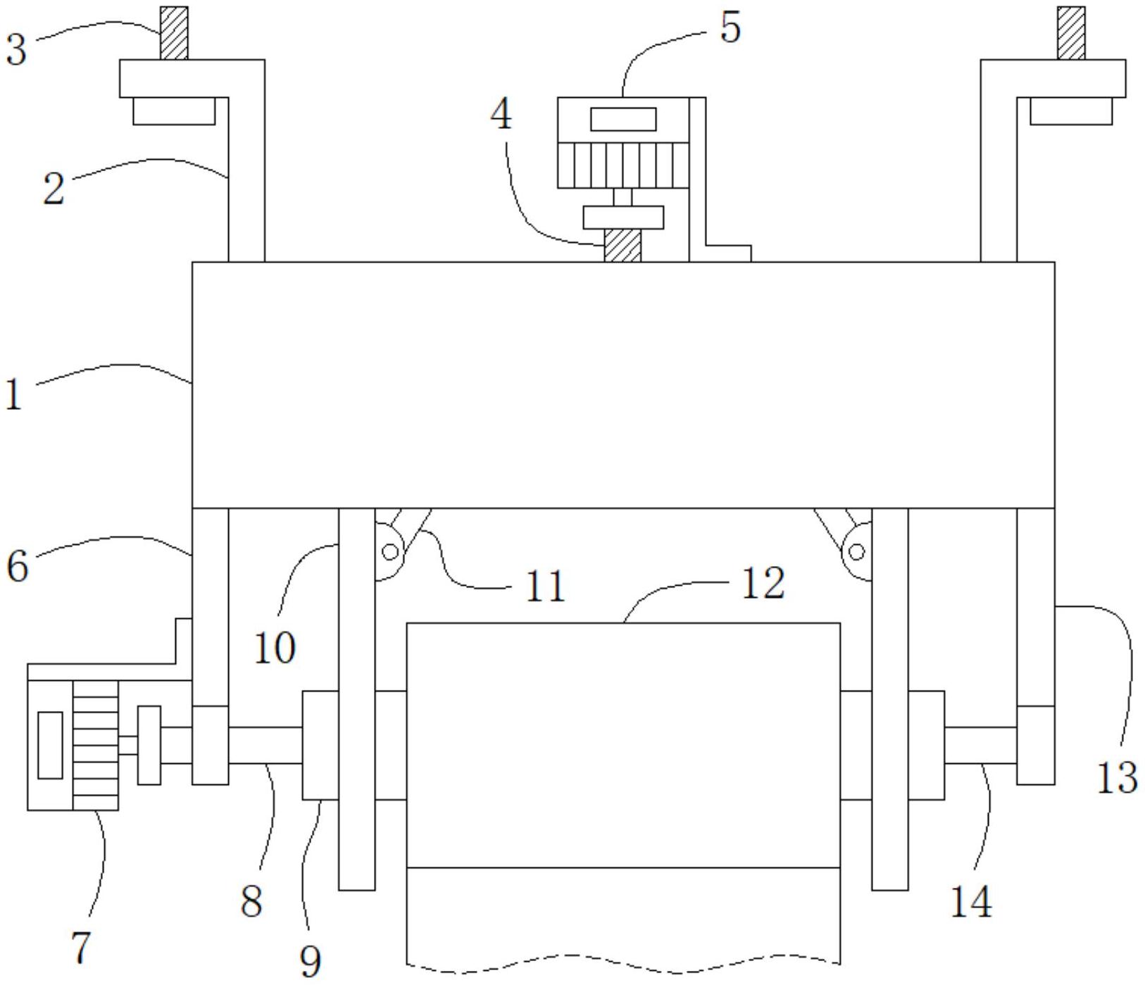
本申请公开了用于凹版印刷机的放卷装置,其包括顶箱,顶箱的外底壁的一端固定有第一支架,第一支架的底端通过轴承转动连接有水平的第一转轴,第一转轴的侧端固定有水平的放卷辊本体,放卷辊本体的外圈呈圆形,顶箱的底壁的两侧均开设有移孔,顶箱的内顶壁的两侧均滑动连接有竖直的挡板,两个挡板分别活动设于两个移孔的内部,挡板的底部开设有圆形的转动孔,放卷辊本体的两侧分别活动设于两个转动孔的内部,放卷辊本体的外圈卷绕有承印物本体。本申请构思巧妙,安装便捷,能够对卷绕于放卷辊外圈的承印物实现有效地限位,可尽量避免卷绕于放卷辊外圈的承印物在放卷过程中发生晃动的情况,可尽量避免承印物损坏。


