授权公布号:CN215393489U
一种用于排气管的焊接定位工装
有效
申请
2021-07-30
申请公布
1970-01-01
授权
2022-01-04
预估到期
2031-07-30
| 申请号 | CN202121777442.9 |
| 申请日 | 2021-07-30 |
| 授权公布号 | CN215393489U |
| 授权公告日 | 2022-01-04 |
| 分类号 | B23K37/04;B23K37/047;B23K101/06N |
| 分类 | 机床;不包含在其他类目中的金属加工; |
| 申请人名称 | 金都电力江苏有限公司 |
| 申请人地址 | 江苏省扬州市江都区宜陵工业集中区 |
专利法律状态
2022-01-04
授权
状态信息
授权
摘要
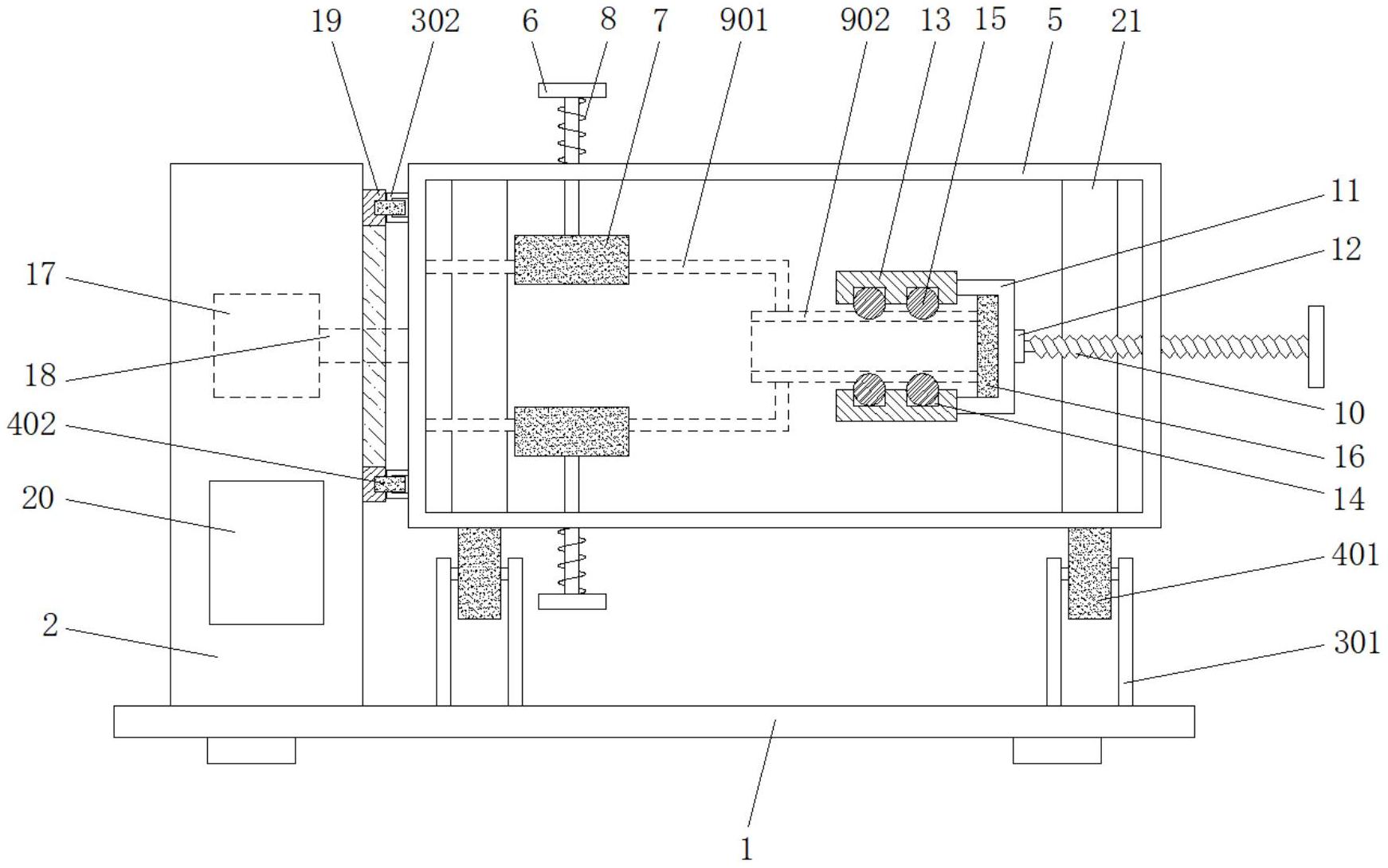
本实用新型涉及发电机组组装技术领域,尤其涉及一种用于排气管的焊接定位工装,包括底板、机箱和旋转架,所述机箱的内部设置的电机设有旋转轴和旋转架,旋转架的一侧对称滑动插设有T形杆和弧形卡块,弧形卡块之间卡设固定有排气管,旋转架另一侧的中部通过螺纹杆设置有固定架和套管,限位套管内插设有消音管。本实用新型中,通过设置旋转架可以对排气管与消音管进行转动,进而更好的便于操作者进行焊接操作,同时通过设置带有弹簧和弧形卡块的T形杆可以更好的对不同型号及尺寸的排气管进行夹持固定,通过转动螺纹杆还可以对消音管及排气管的焊接深度进行调节,从而减低出现偏差,大大提高了整个产品的品质。


