授权公布号:CN114035353B
一种在TFT基板上确定光照区域的装置
有效
申请
2021-08-23
申请公布
2022-02-11
授权
2023-05-02
预估到期
2041-08-23
| 申请号 | CN202111193478.7 |
| 申请日 | 2021-08-23 |
| 申请公布号 | CN114035353A |
| 申请公布日 | 2022-02-11 |
| 授权公布号 | CN114035353B |
| 授权公告日 | 2023-05-02 |
| 分类号 | G02F1/13;G02F1/133;G02F1/139 |
| 分类 | 光学; |
| 申请人名称 | 山东蓝贝思特教装集团股份有限公司 |
| 申请人地址 | 山东省济南市历城区工业北路88号东都国际广场4号楼10层 |
专利法律状态
2023-05-02
授权
状态信息
授权
2022-02-11
公布
状态信息
公布
摘要
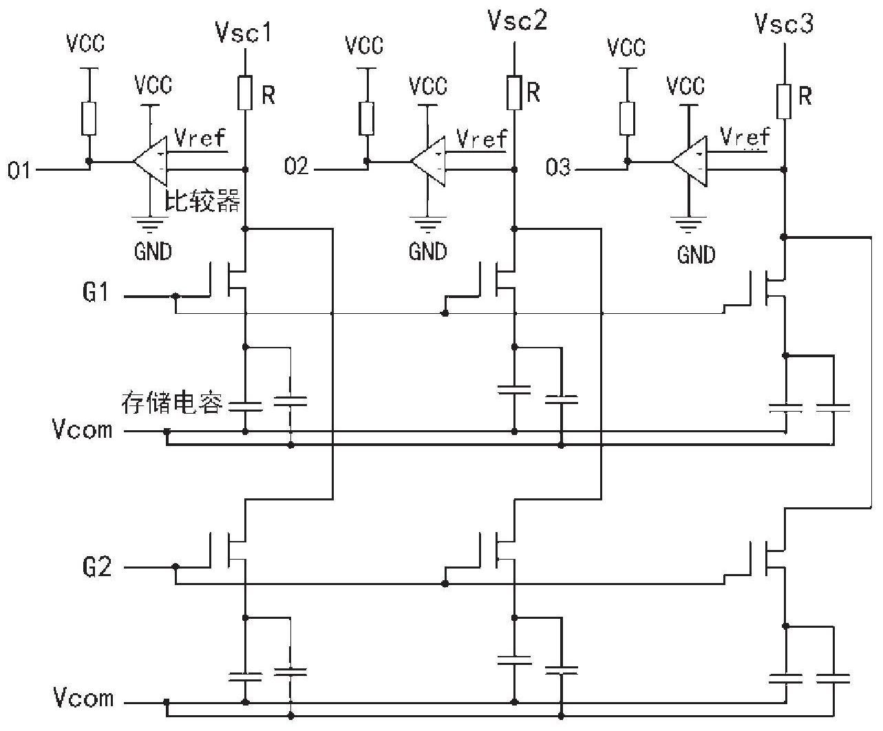
本发明公开了一种在TFT基板上确定光照区域的装置,包括:所述TFT基板上阵列状排布若干像素单元,每个像素单元内设有像素电极以及与所述像素电极连接的薄膜场效应晶体管TFT;每一行像素单元对应的TFT至少由一根第一导线连接并供给控制电压;每一列像素单元对应的TFT至少由一根第二导线连接并供给输入电压;所述第二导线与第一电源之间串联连接电阻,电阻与第二导线连接的一端接入比较器或运算放大器的第一输入端,所述比较器或运算放大器的第二输入端输入设定的电压阈值,所述比较器或运算放大器的输出用于检测TFT电流或电压是否发生变化,以确定TFT是否受到设定强度范围的光照照射,并确定光照射的区域。


