授权公布号:CN110635515B
飞机电源系统左右通道发电机汇流条功率输入优先级结构
有效
申请
2018-05-31
申请公布
2019-12-31
授权
2023-08-25
预估到期
2038-05-31
| 申请号 | CN201810550635.7 |
| 申请日 | 2018-05-31 |
| 申请公布号 | CN110635515A |
| 申请公布日 | 2019-12-31 |
| 授权公布号 | CN110635515B |
| 授权公告日 | 2023-08-25 |
| 分类号 | H02J3/46;H02J5/00 |
| 分类 | 发电、变电或配电; |
| 申请人名称 | 上海航空电器有限公司 |
| 申请人地址 | 上海市闵行区中春路6629号 |
专利法律状态
2023-08-25
授权
状态信息
授权
2019-12-31
公布
状态信息
公布
摘要
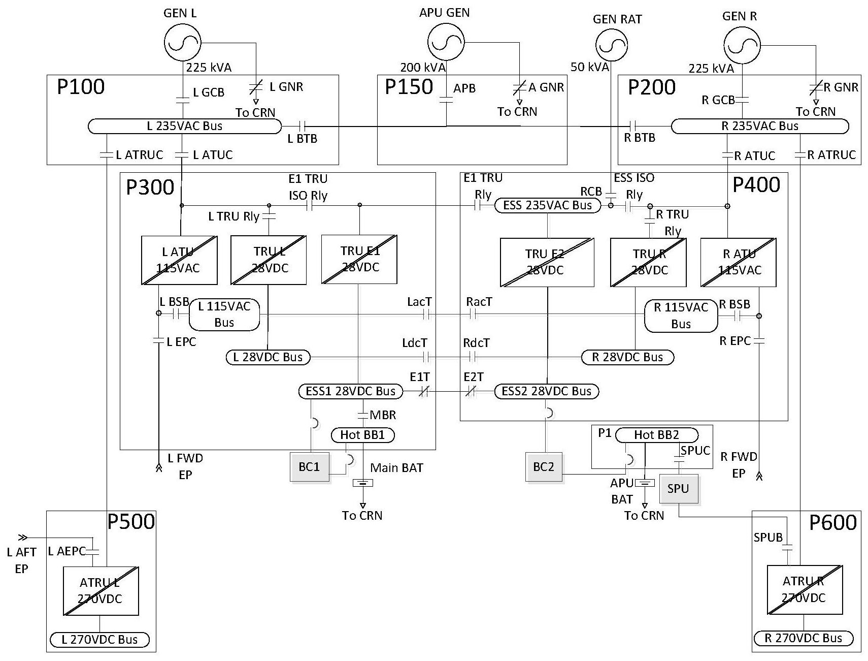
本发明公开飞机电源系统左右通道发电机汇流条功率输入优先级结构,包含有,汇流条R 235VAC Bus,其选择性地由主发电机GEN R、辅助发电机APU GEN及主发电机GEN L、地面电源L FWD EP及地面电源R FWD EP中的一者对其供电;以及,汇流条L 235VAC Bus,其选择性地由主发电机GEN L、辅助发电机APU GEN、主发电机GEN R、地面电源L FWD EP及地面电源R FWD EP中的一者对其供电。本发明的有益效果在于,优先级的设置,更好地管理汇流条L 235VAC Bus及汇流条R 235VAC Bus的功率输入。


