授权公布号:CN213574936U
一种六面顶电气机卸压控制阀组保护系统
有效
申请
2020-08-11
申请公布
1970-01-01
授权
2021-06-29
预估到期
2030-08-11
| 申请号 | CN202021657871.8 |
| 申请日 | 2020-08-11 |
| 授权公布号 | CN213574936U |
| 授权公告日 | 2021-06-29 |
| 分类号 | F15B20/00;F15B21/02;B01J3/06 |
| 分类 | 流体压力执行机构;一般液压技术和气动技术; |
| 申请人名称 | 开封贝斯科超硬材料有限公司 |
| 申请人地址 | 河南省开封市河南自贸试验区开封片区郑开大道296号自贸大厦A座204室住所集中地(经营场所开封八大街与陇海五路交叉路口向北100米路西) |
专利法律状态
2021-11-12
专利权人的姓名或者名称、地址的变更
状态信息
专利权人的姓名或者名称、地址的变更;IPC(主分类):F15B20/00;变更事项:专利权人;变更前:开封贝斯科超硬材料有限公司;变更后:开封贝斯科超硬材料有限公司;变更事项:地址;变更前:475000 河南省开封市河南自贸试验区开封片区郑开大道296号自贸大厦A座204室住所集中地(经营场所:开封经济技术开发区杏花营工业园创业园区);变更后:475000 河南省开封市河南自贸试验区开封片区郑开大道296号自贸大厦A座204室住所集中地(经营场所开封八大街与陇海五路交叉路口向北100米路西)
2021-06-29
授权
状态信息
授权
摘要
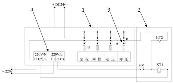
本实用新型公开了一种六面顶电气机卸压控制阀组保护系统,包括阀电源输出转接板与卸压电控保护开关,所述电源输出转接板上设置有卸压电磁阀与阀电源,所述卸压电磁阀与所述阀电源之间设置所述卸压电控保护开关,所述卸压电控保护开关包括KM加热交流接触器、KT1时间继电器与KT2时间继电器,本六面顶电气机卸压控制阀组保护系统,通过卸压电控保护开关来控制卸压工步的启停,当控制电脑死机或程序异常而提前发出卸压指令时,不会出现卸压电磁阀带电而启动卸压工步的情况,提供了有效的卸压保护,解决了异常卸压造成的高压放气炮,控制方式更加合理,可靠性高,操作简便,更适合于六面顶压机电气控制系统的卸压控制。


