授权公布号:CN109474268B
电路结构、电路板和超算设备
有效
申请
2018-12-19
申请公布
2019-03-15
授权
2024-02-06
预估到期
2038-12-19
| 申请号 | CN201811556850.4 |
| 申请日 | 2018-12-19 |
| 申请公布号 | CN109474268A |
| 申请公布日 | 2019-03-15 |
| 授权公布号 | CN109474268B |
| 授权公告日 | 2024-02-06 |
| 分类号 | H03K19/00;H03K19/20;H03K19/21;G06F7/501 |
| 分类 | 基本电子电路; |
| 申请人名称 | 北京比特大陆科技有限公司 |
| 申请人地址 | 北京市海淀区宝盛南路1号院25号楼2层 |
专利法律状态
2024-02-06
授权
状态信息
授权
2019-04-09
实质审查的生效
状态信息
实质审查的生效;IPC(主分类):H03K19/00;申请日:20181219
2019-03-15
公布
状态信息
公布
摘要
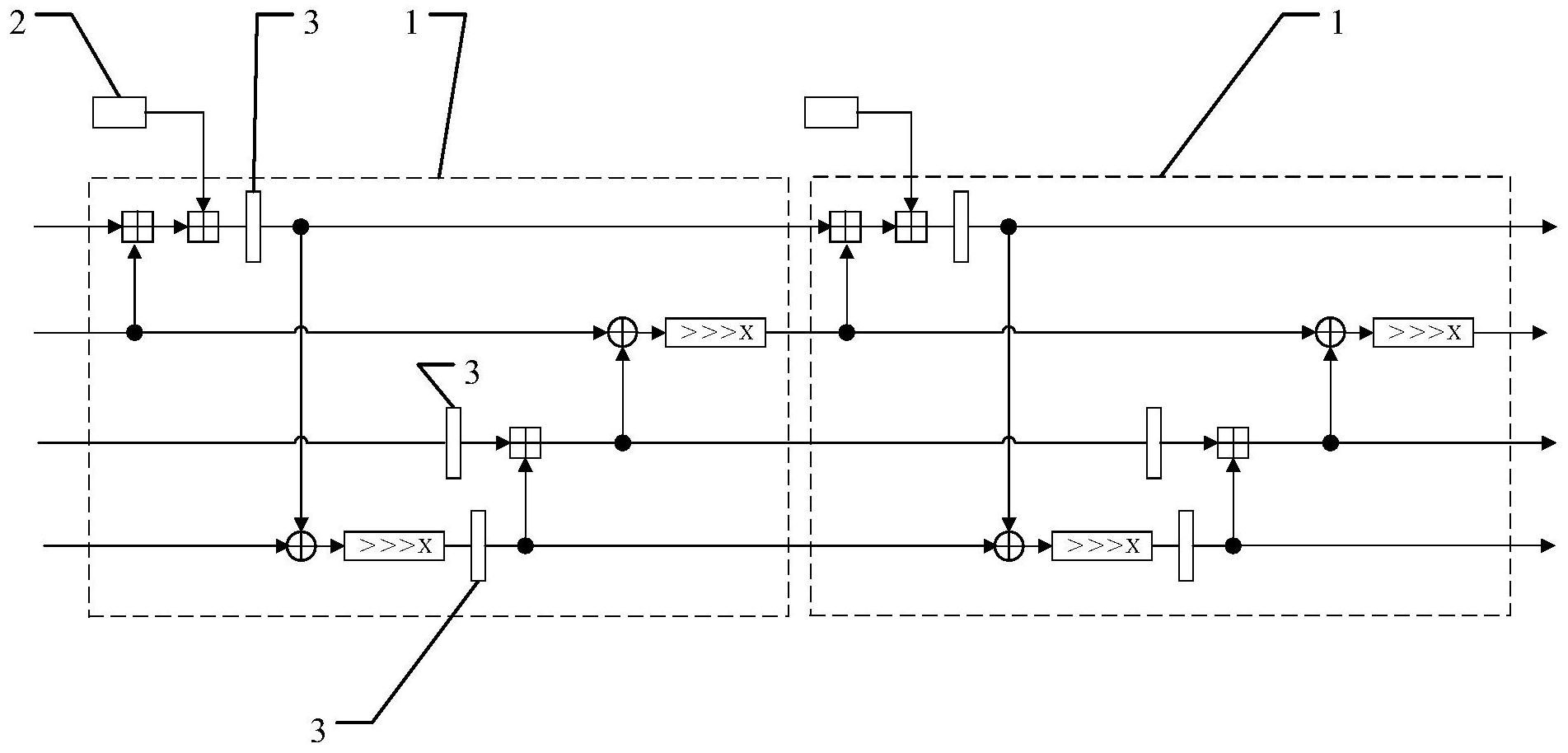
本申请提供一种电路结构、电路板和超算设备,其中,该电路结构包括:至少两级运算电路单元,相邻的运算电路单元连接,每一个运算电路单元与用于输出待计算参数的输出单元连接,运算电路单元为应用于BLAKE算法的电路上的最小单元;电路结构上的各运算电路单元的加法器与异或门之间设置有时序逻辑元件,和/或,电路结构上的加法器的输入端上设置有时序逻辑元件。进而可以通过上述电路结构实现BLAKE算法;并且,将加法运算和异或运算通过时序逻辑元件进行隔离,和/或,通过时序逻辑元件可以去除输入到加法器中的信号的毛刺;从而,可以降低电路结构中的计时频率,可以防止计时频率的传播,降低整个电路结构的动态功耗。


