授权公布号:CN108647180B
一种运算系统及相应的电子设备
有效
申请
2018-05-28
申请公布
2018-10-12
授权
2024-02-06
预估到期
2038-05-28
| 申请号 | CN201810520994.8 |
| 申请日 | 2018-05-28 |
| 申请公布号 | CN108647180A |
| 申请公布日 | 2018-10-12 |
| 授权公布号 | CN108647180B |
| 授权公告日 | 2024-02-06 |
| 分类号 | G06F15/78;G06F13/40;G06F13/42 |
| 分类 | 计算;推算;计数; |
| 申请人名称 | 北京比特大陆科技有限公司 |
| 申请人地址 | 北京市海淀区奥北科技园25号楼2层 |
专利法律状态
2024-02-06
授权
状态信息
授权
2018-11-06
实质审查的生效
状态信息
实质审查的生效;IPC(主分类):G06F15/78;申请日:20180528
2018-10-12
公布
状态信息
公布
摘要
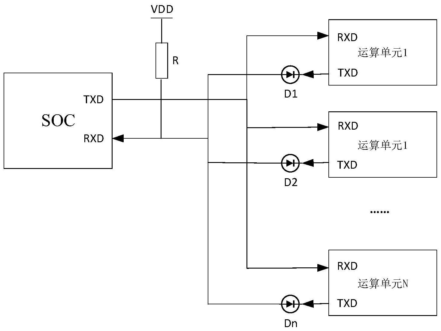
本公开公开了一种运算系统及相应的电子设备,所述运算系统包括所述运算系统包括运算板电路和控制板电路,其中:所述运算板电路包括两个或两个以上运算单元,控制板电路包括系统级芯片SOC,所述系统级芯片SOC和所述两个或两个以上运算单元分别具有数据接收端口和数据发送端口;所述系统级芯片SOC的数据发送端口和所述两个或两个以上运算单元的数据接收端口分别相连,所述系统级芯片SOC的数据接收端口和所述两个或两个以上运算单元的数据发送端口分别相连,所述相连采用通用异步收发器UART串行总线协议进行数据通信。本公开实现了在电路板上使用通用异步收发器UART串行总线协议进行数据通信的一对多通信方式。


