授权公布号:CN218940891U
一种扁线电机定子绕组弯折加工的辅助工装
有效
申请
2022-11-17
申请公布
1970-01-01
授权
2023-04-28
预估到期
2032-11-17
| 申请号 | CN202223087124.7 |
| 申请日 | 2022-11-17 |
| 授权公布号 | CN218940891U |
| 授权公告日 | 2023-04-28 |
| 分类号 | H02K15/00;B21F1/00 |
| 分类 | 发电、变电或配电; |
| 申请人名称 | 格劳博机床(中国)有限公司 |
| 申请人地址 | 辽宁省大连市经济技术开发区铁山东路105号 |
专利法律状态
2023-04-28
授权
状态信息
授权
摘要
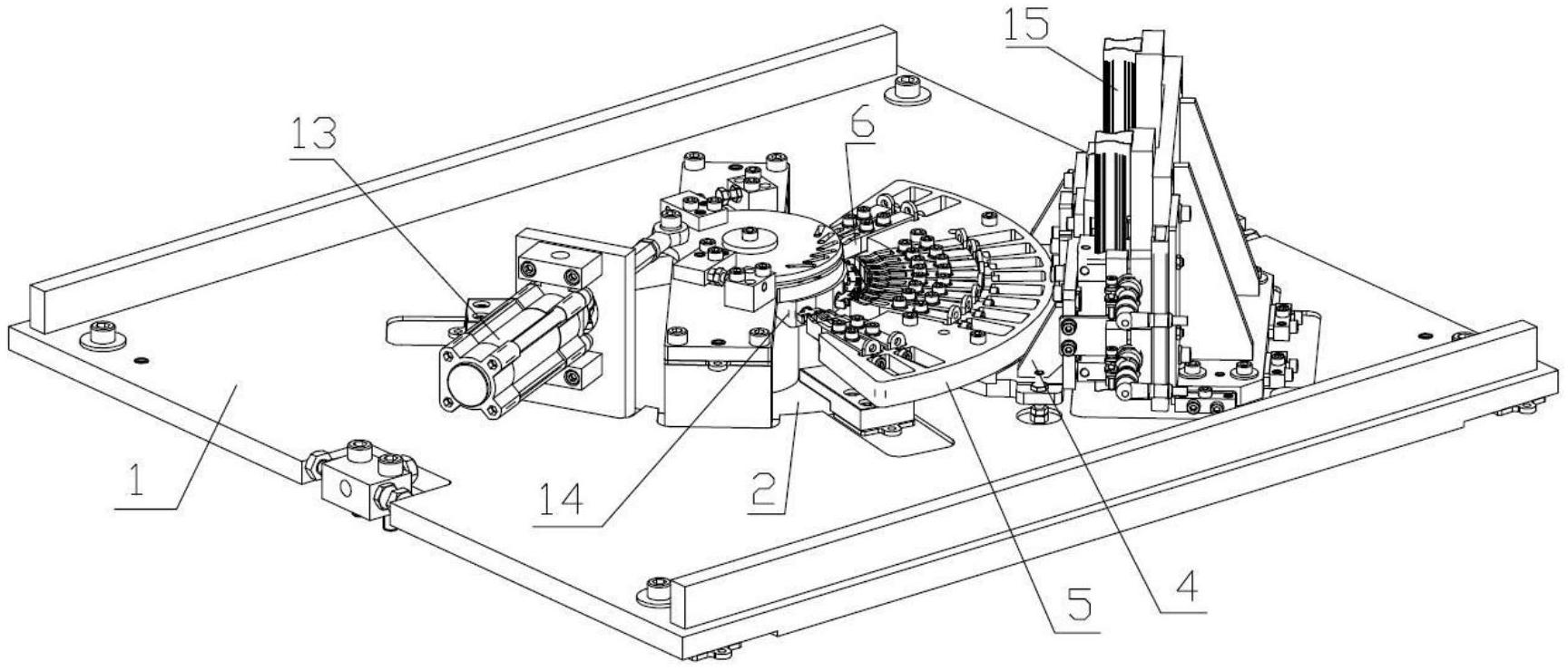
本实用新型公开了一种扁线电机定子绕组弯折加工的辅助工装,属于扁线绕组加工技术领域。包括加工台面,加工台面中设有用于绕组扁线穿过的通孔,工作台上固定有升降电机,升降电机输出端通过连接架连接扇环状的安装板,所述安装板上设有若干条状推块,所述条状推块延伸至通孔上方,位于通孔上方的条状推块上开有条状让位孔。本实用新型的有益效果是:通过条状推块推压,扩大相邻扁线间距,为弯折加工留有足够空间,避免其它扁线干涉,保证内圈扁线弯折加工的顺利进行和成品率。


