授权公布号:CN220168204U
风扇调速电路、装置及其电子设备
有效
申请
2023-05-18
申请公布
1970-01-01
授权
2023-12-12
预估到期
2033-05-18
| 申请号 | CN202321198169.3 |
| 申请日 | 2023-05-18 |
| 授权公布号 | CN220168204U |
| 授权公告日 | 2023-12-12 |
| 分类号 | F04D27/00 |
| 分类 | 液体变容式机械;液体泵或弹性流体泵; |
| 申请人名称 | 深圳市科瑞爱特科技开发有限公司 |
| 申请人地址 | 广东省深圳市宝安区西乡街道南昌社区南昌华丰工业园1栋厂房301 |
专利法律状态
2023-12-12
授权
状态信息
授权
摘要
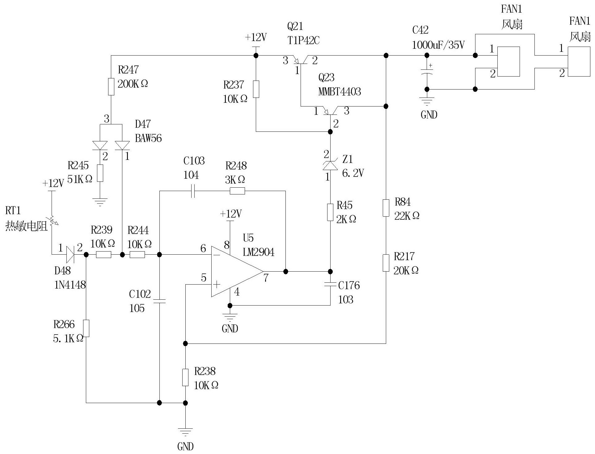
本实用新型公开了一种风扇调速电路、装置及其电子设备,该风扇调速电路包括:至少一风扇;输入电源,用于向所述风扇电压调节电路以及至少一风扇进行供电;风扇电压调节电路,根据环境温度的变化将输入电源的输出电压转化成目标电压,以使至少一风扇的工作电压调整为目标电压;风扇电压调节电路包括:温度检测电路、分压电路、比较电路、控制电路;温度检测电路、分压电路、比较电路以及控制电路依次连接。本实用新型通过风扇电压调节电路中的温度检测电路检测环境温度,得到温度信号、温度信号通过分别通过分压电路、比较电路、控制电路调节至少一风扇的工作电压,使得可以根据不同温度控制风扇的转速,增加风扇的使用寿命。


