授权公布号:CN216981796U
一种改进型大功率高可靠性DC-DC隔离升压电路
有效
申请
2022-02-09
申请公布
1970-01-01
授权
2022-07-15
预估到期
2032-02-09
| 申请号 | CN202220261567.4 |
| 申请日 | 2022-02-09 |
| 授权公布号 | CN216981796U |
| 授权公告日 | 2022-07-15 |
| 分类号 | H02M3/335;H02M1/32 |
| 分类 | 发电、变电或配电; |
| 申请人名称 | 深圳市科瑞爱特科技开发有限公司 |
| 申请人地址 | 广东省深圳市宝安区西乡街道南昌社区南昌华丰工业园1栋厂房301 |
专利法律状态
2022-07-15
授权
状态信息
授权
摘要
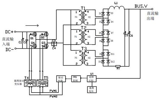
本实用新型涉及一种改进型大功率高可靠性DC‑DC隔离升压电路,包括功率转换电路和PWM脉冲信号控制电路,功率转换电路包括依次电性连接的全桥逆变电路、多个高频变压器、多个桥式整流电路和滤波输出电路,多个高频变压器的原边线圈N1通过两个隔直电容C3、C4并联于所述全桥逆变电路的输出端,每个高频变压器的次边线圈N2对应连接至一个桥式整流电路;并联的两个隔直电容C3、C4能够消除变压器一侧电压波形中的直流成分,在一定程度上使高频变压器的偏磁受到抑制;三个桥式整流电路串联后在经滤波输出电路提供稳定平滑的直流电输出,每个桥式整流电路的二极管电压峰值降为传统大功率DC‑DC隔离升压电路的1/3,减小了整流管的电压应力,提高了电路可靠性。


